EasyManua.ls Logo

Hirobo Lepton EX - Page 30

Hirobo Lepton EX
76 pages
Print Icon
To Next Page IconTo Next Page
To Next Page IconTo Next Page
To Previous Page IconTo Previous Page
To Previous Page IconTo Previous Page
Loading...
29
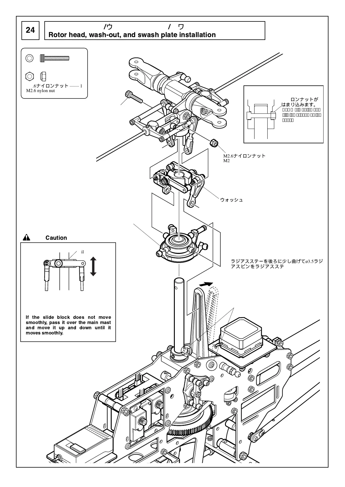
ローターヘッド部
ウォッシュアウト部
スワッシュプレート部の取付
      

M2.6ナイロンナット
........
1
M2.6 nylon nut
M2.6ナイロンナット
M2.6 nylon nut
M2.6X15CS
.........................
1
M2.6X15CS
注意

スライドブロックの動きが堅い場合は、
メインマストに通して上下に動かし慣ら
してください。
      
      
       
 
オイル
Oil
ウォッシュアウト
Wash-out
スワッシュプレート
Swash plate
ヨークの溝にM2.6
ナイロンナットが
はまり込みます。
TheM2.6nylonnut
fitsthegrooveofthe
yoke.
ラジアスステーを後ろに少し曲げてø3.5ラジ
アスピンをラジアスステーの溝に入れてく
ださい。
Slightly tilt the radius stay backwards and insert
the ø3.5 radius pin into the slot in the radius stay.
入りにくいときはM3X12TSトラス2を外して
ラジアスステーを後ろに傾けてください。
If it is difficult to do so, remove the M3X12TS
truss-2 and then tilt the radius stay backwards.

Related product manuals