EasyManua.ls Logo

Hirobo Lepton EX - Page 58

Hirobo Lepton EX
76 pages
Print Icon
To Next Page IconTo Next Page
To Next Page IconTo Next Page
To Previous Page IconTo Previous Page
To Previous Page IconTo Previous Page
Loading...
57
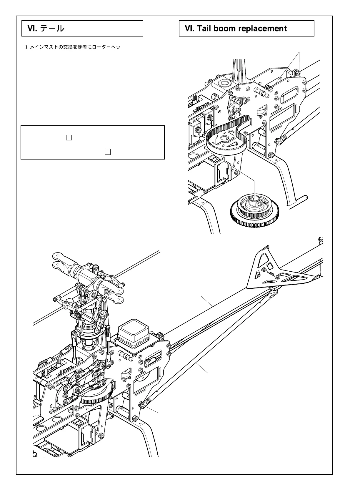
VI.
テールブームの交換
VI. Tail boom replacement
1. I. メインマストの交換を参考にローターヘッドとメインマストを取
外します。
2. テールブームブレースをピボットボルトø5X4からはずします。
3. M2.6X6CSをゆるめて、テールブームAssyを少し前に寄せてプーリ
ーからタイミングベルトを取外します。
4. テールブームASSYを引き抜きます。
1. Refer to the I. Main Mast Replacement for removing the rotor head and
main mast.
2. Remove the tail boom brace from the pivot bolt ø5X4.
3. Loosen the M2.6X6CS,move the tail boom assembly slightly forward and
then remove the timing belt from the pulley.
4. Pull out the tail boom assembly.
組立てるときは、タイミングベルトの回転方向及びねじれに注
意してください。(22を参照)
When assembling, ensure that the timing belt is rotating in the correct
direction and is not twisted. (Refer to page 22 .)
ピボットボルトø5X4
Pivot bolt ø5X4
M2.6X6CS
テールブームブレース
Tailboombrace
テールブームASSY
Tailboomassembly

Related product manuals