EasyManua.ls Logo

Hitachi CU-HD1500 - Combined Connector: 25 Pin D-Sub Female

Hitachi CU-HD1500
47 pages
Print Icon
To Next Page IconTo Next Page
To Next Page IconTo Next Page
To Previous Page IconTo Previous Page
To Previous Page IconTo Previous Page
Loading...
20
Service information
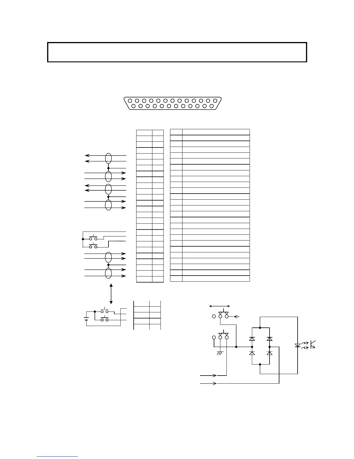
COMMUNICATION (25pin D-sub male:RDBD-25P-LNA(4-40)(55))
Combined connector: 25pin D-sub female
Plug CCU mainframe
Contact
supply
Voltage
supply
Pin
Signal
1
SYS2
2
SYS1
3
SYS0
4
PD OUT (C) 2W : OUT/IN(C)
5
PD OUT (H) 2W : OUT/IN(H)
6
PD SHIELD
7
PD IN (C) 2W : NC
8
PD IN (H) 2W : NC
9
ENG OUT (C) 2W : OUT/IN(C)
10
ENG OUT (H) 2W : OUT/IN(H)
11
ENG SHIELD
12
ENG IN (C) 2W : NC
13
ENG IN (H) 2W : NC
14
GND
15
16
NC
17
TALLY COMMON →TALLY COMM
18
G TALLY IN →G TALLY IN
19
R TALLY IN →R TALLY IN
20
NC
21
PGM2 IN(C)
22
PGM2 IN (H)
23
PGM SHIELD
24
PGM1 IN(C)
25
PGM1 IN (H)
Pin
1
2
3
4
5
6
7
8
9
10
11
12
13
14
15
16
17
18
19
20
21
22
23
24
25
17
18
19
TALLY COMM
Contact Voltage
TALLY IN
24V
TALLY ; CU internal circuit
1 13
14 25

Table of Contents

Related product manuals