EasyManua.ls Logo

Hitachi J300 Series

Hitachi J300 Series
145 pages
To Next Page IconTo Next Page
To Next Page IconTo Next Page
To Previous Page IconTo Previous Page
To Previous Page IconTo Previous Page
Loading...
7-27
Contents and display
Extension
function
code
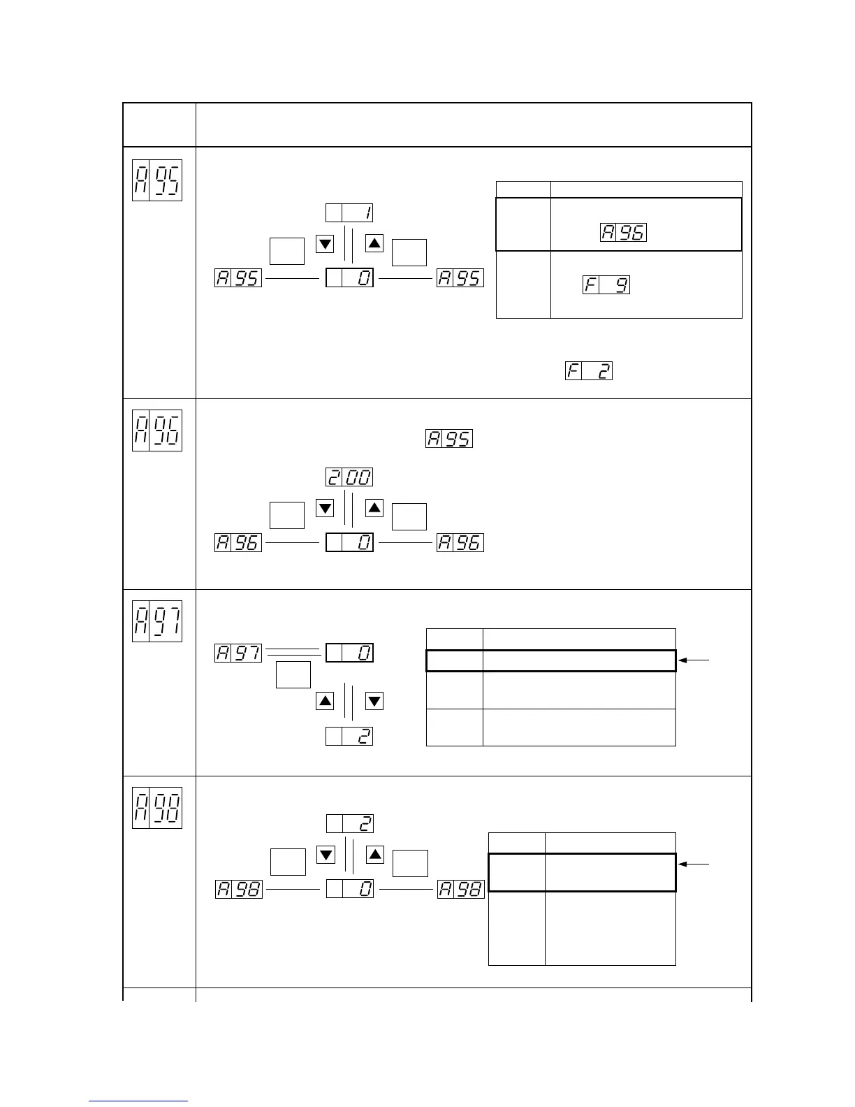
This function is used to set a target value level of PID controlling within 0 to 200%.
This function is valid when 0 is set for .
Target
value
setting
method
selection
This function is used to select a method to enter the target value for executing each PID function.
NOTE 1:
NOTE 2:
Set "1" when a PID optional board (J-PI) is used.
The value entered to the OS terminal of J-PI is assumed as the target value.
The target value at set "1" is O-L, OI-L input signal, setting or multispeed
setting.
Set value
Performance
Internal
target
value level
setting
1
FUNC
FUNC
2
Setting method
Initial value
0
1
The target value depends
on the level set value.
The target value is set using
the frequency setting
method.
1
FUNC
FUNC
2
Setting method
Initial value
If an analog voltage is entered as a feedback
value, the feedback voltage (0 to 10V)
corresponds to this target value level
setting (0 to 200%). In other words, if,
when 5V is entered as the target feedback
value of a sensor, it is converted to an
internal target value, set 100% as this
internal target value.
Select whether to start auto tuning as well as a mode. When 1 or 2 is set, auto tuning is started
during the first operation.
Auto
tuning
setting
FUNC
2
Initial value
Motor
data
selection
1
Set value
0
1
2
Function
Auto tuning is not performed.
Normal measurement mode
(The motor runs.)
R1, R2, or L measurement mode
(The motor does not run.)
Initial
value
Select the motor constant used for sensorless vectror control (SLV).
Set value
0
1
2
Data used
Old Hitachi general-
purpose motor data
New Hitachi general
purpose motor data
(ÒThe MotorÓ)
Auto tuning data
Initial
value
(For details of auto tuning, see Appendix 1.)
1
FUNC
FUNC
2
Initial value
CTi Automation - Phone: 800.894.0412 - Fax: 208.368.0415 - Web: www.ctiautomation.net - Email: info@ctiautomation.net

Table of Contents

Other manuals for Hitachi J300 Series

Related product manuals