EasyManua.ls Logo

Hitachi MULTIZONE RAM-53NE3F - Rooms Multizone: Ram-53 Ne2 F

Hitachi MULTIZONE RAM-53NE3F
102 pages
Print Icon
To Next Page IconTo Next Page
To Next Page IconTo Next Page
To Previous Page IconTo Previous Page
To Previous Page IconTo Previous Page
Loading...
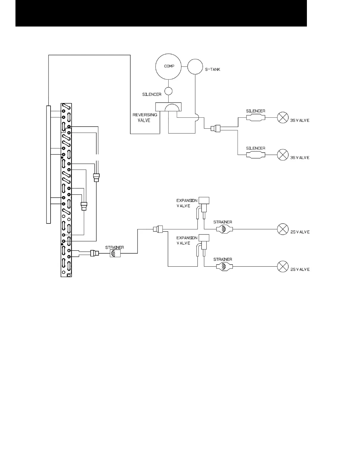
REFRIGERANT CYCLE
CYC
8-5
L
8.2.3. 2 ROOMS MULTIZONE: RAM-53NE2F
φ
12.7

Table of Contents