EasyManua.ls Logo

Hitachi RX - Electrical Connection Diagram

Hitachi RX
164 pages
To Next Page IconTo Next Page
To Next Page IconTo Next Page
To Previous Page IconTo Previous Page
To Previous Page IconTo Previous Page
Loading...
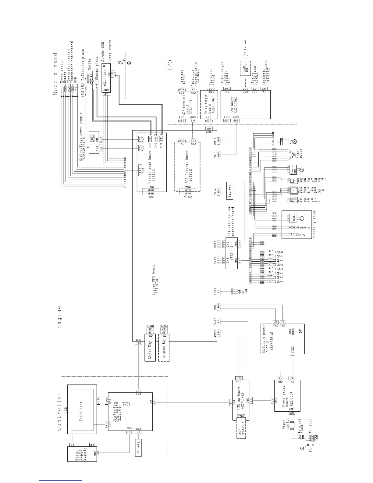
8-3 Electrical Connection Diagram
Fig.8-3 Model RX-S Electrical connection diagram
Cooling
fan
8.2 Electrical Connection Diagram

Table of Contents

Other manuals for Hitachi RX

Related product manuals