EasyManua.ls Logo

Holzmann BS 115 - Elektrische Schaltungen

Holzmann BS 115
Print Icon
To Next Page IconTo Next Page
To Next Page IconTo Next Page
To Previous Page IconTo Previous Page
To Previous Page IconTo Previous Page
Loading...
ELEKTRISCHE SCHALTUNGEN
HOLZMANN Maschinen GmbH www.holzmann-maschinen.at Seite 45
BS 115
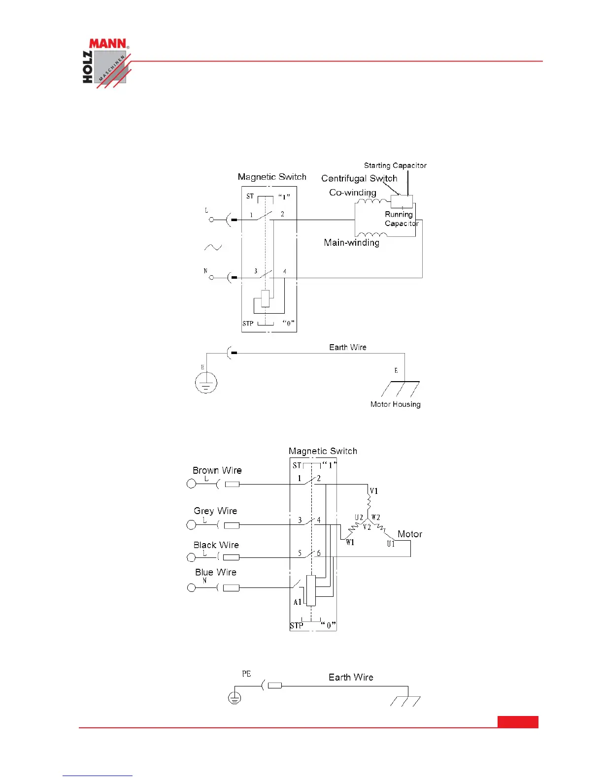
17 ELEKTRISCHE SCHALTUNGEN
17.1 230V
17.2 400V

Table of Contents

Related product manuals