EasyManua.ls Logo

Holzmann BS 115 - Explosionszeichnungen

Holzmann BS 115
Print Icon
To Next Page IconTo Next Page
To Next Page IconTo Next Page
To Previous Page IconTo Previous Page
To Previous Page IconTo Previous Page
Loading...
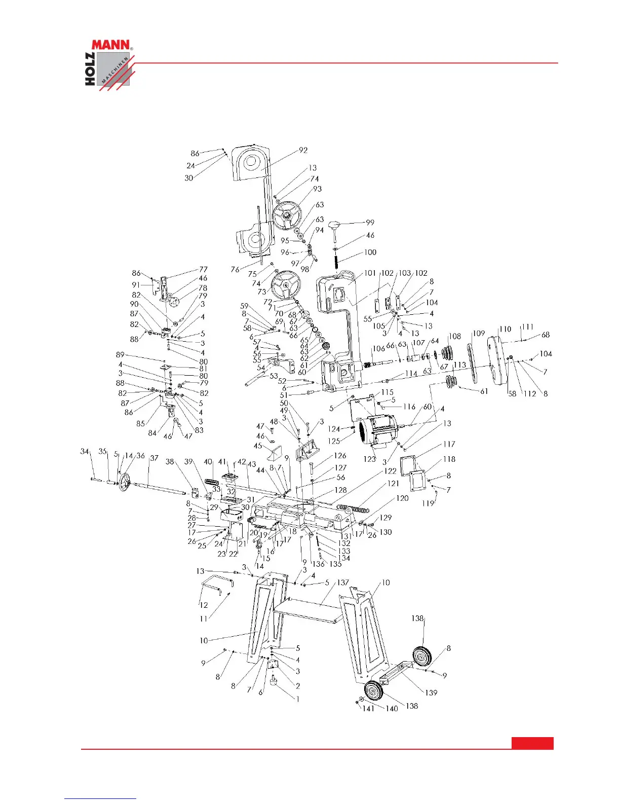
ERSATZTEILE / SPARE PARTS
HOLZMANN Maschinen GmbH www.holzmann-maschinen.at Seite 47
BS 115
18.2 Explosionszeichnungen

Table of Contents

Related product manuals