EasyManua.ls Logo

Hsun hs700atv - Page 41

Hsun hs700atv
100 pages
Print Icon
To Next Page IconTo Next Page
To Next Page IconTo Next Page
To Previous Page IconTo Previous Page
To Previous Page IconTo Previous Page
Loading...
41
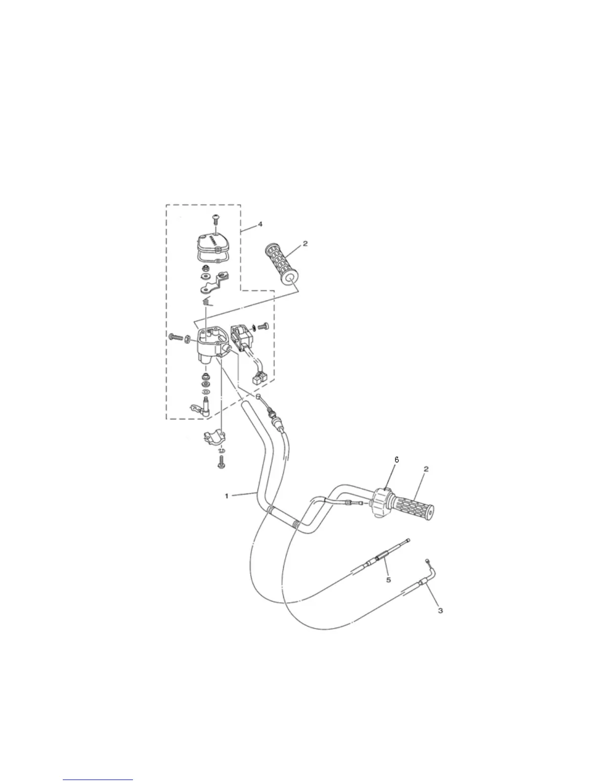
Components of Steering Bar
1Steering Bar
2steering Rubber Sheath 3air duct door pull cable 4oiler components
5acceelerator pull cable components