EasyManua.ls Logo

HTP MIG 130 - Wiring Diagram

HTP MIG 130
36 pages
Print Icon
To Next Page IconTo Next Page
To Next Page IconTo Next Page
To Previous Page IconTo Previous Page
To Previous Page IconTo Previous Page
Loading...
32
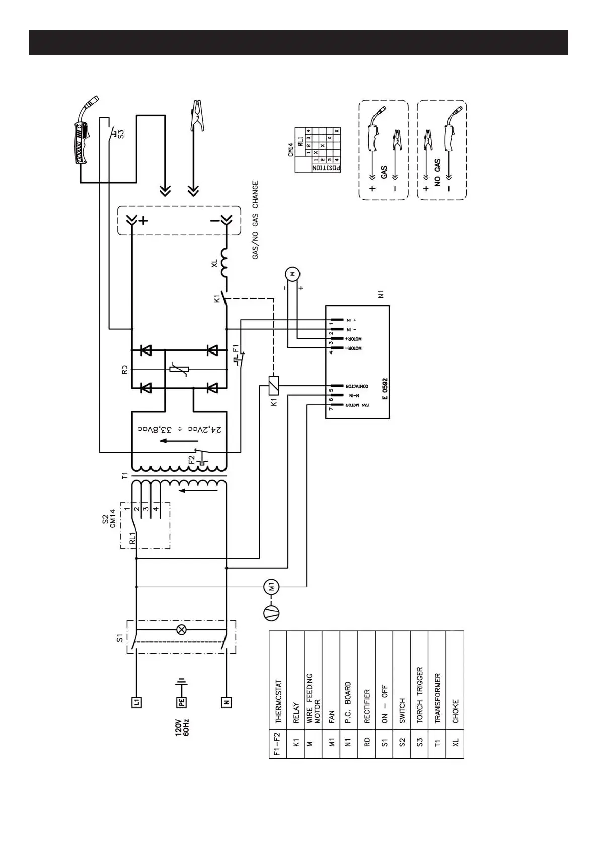
WIRING DIAGRAM

Related product manuals