EasyManua.ls Logo

HTP PHE130-55 - Maintenance; Maintenance Notes

HTP PHE130-55
84 pages
Print Icon
To Next Page IconTo Next Page
To Next Page IconTo Next Page
To Previous Page IconTo Previous Page
To Previous Page IconTo Previous Page
Loading...
32
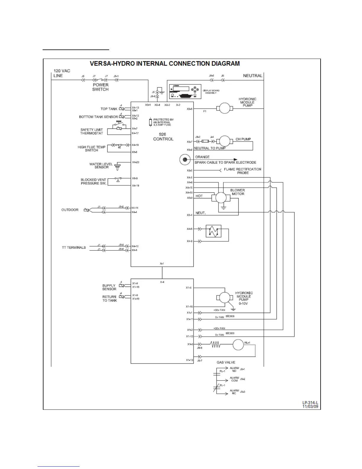
F. INTERNAL WIRING
Figure 14Internal connection diagram

Table of Contents

Related product manuals