EasyManua.ls Logo

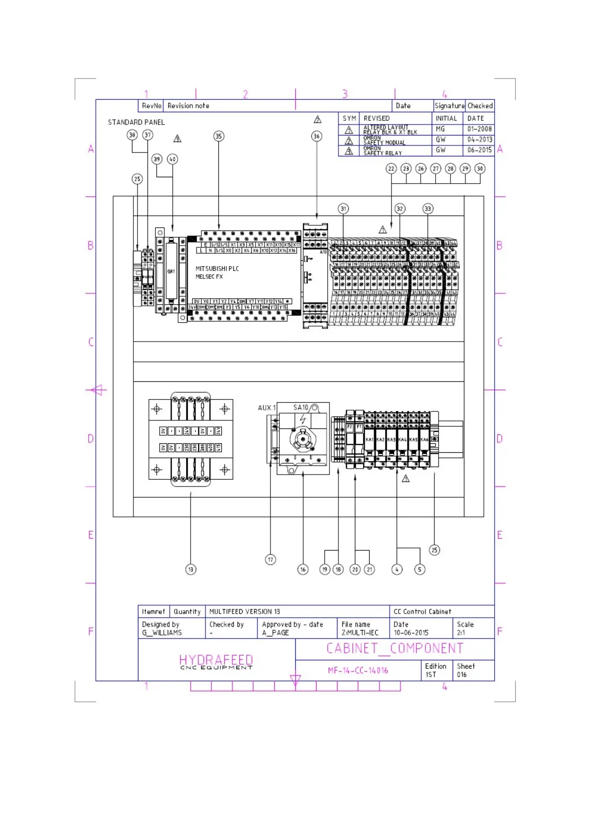
Hydrafeed Multifeed 65 - Control Panel and Cabinet Layouts

Hydrafeed Multifeed 65
89 pages
Print Icon
To Next Page IconTo Next Page
To Next Page IconTo Next Page
To Previous Page IconTo Previous Page
To Previous Page IconTo Previous Page
Loading...
64

Related product manuals