EasyManua.ls Logo

Hyster F007 - Page 40

Hyster F007
48 pages
Print Icon
To Next Page IconTo Next Page
To Next Page IconTo Next Page
To Previous Page IconTo Previous Page
To Previous Page IconTo Previous Page
Loading...
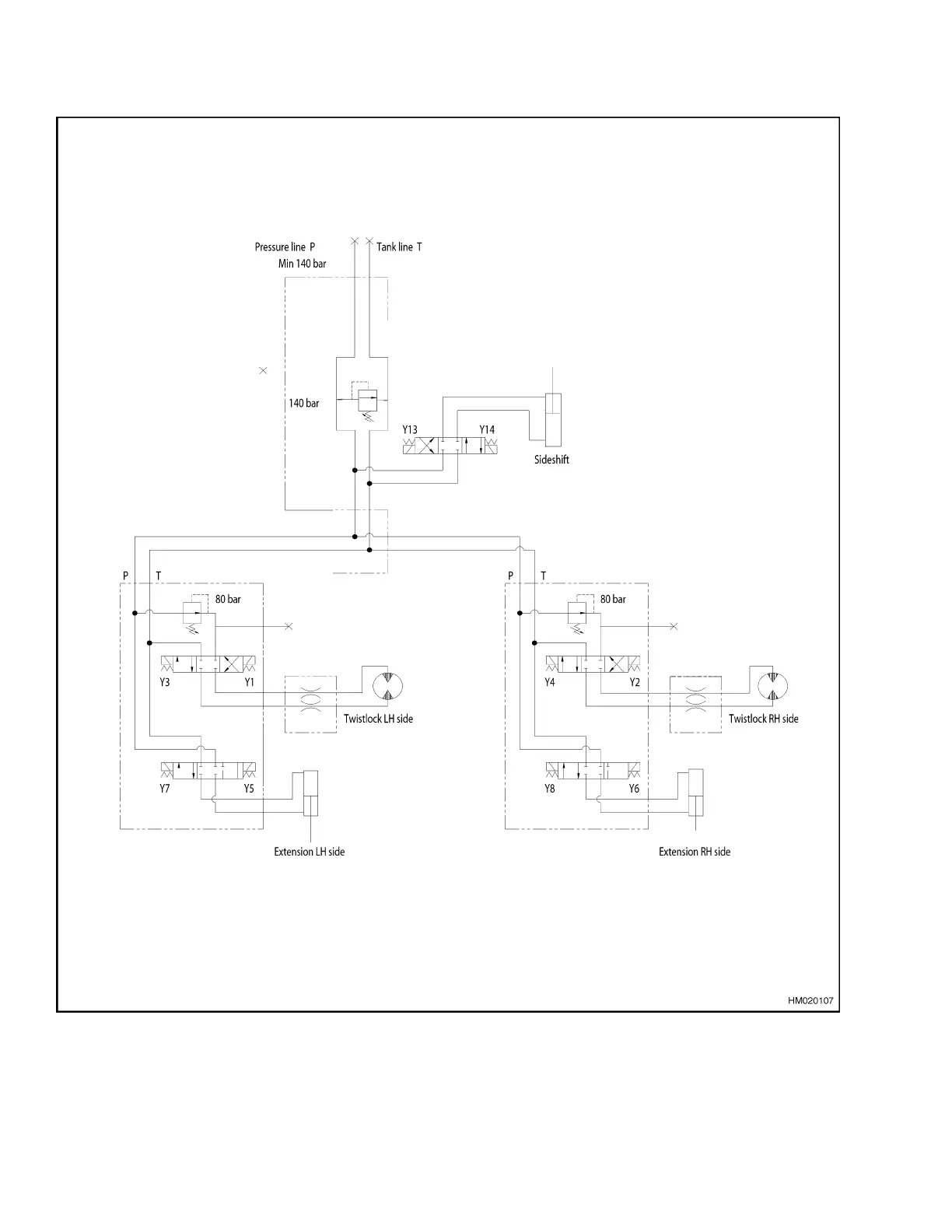
Diagrams, Schematics, or Arrangements 5000 SRM 969
Figure 18. Hydraulic Diagram - Horizontal Twist Lock Model 553
34

Related product manuals