EasyManua.ls Logo

Hyster F007 - Page 42

Hyster F007
48 pages
Print Icon
To Next Page IconTo Next Page
To Next Page IconTo Next Page
To Previous Page IconTo Previous Page
To Previous Page IconTo Previous Page
Loading...
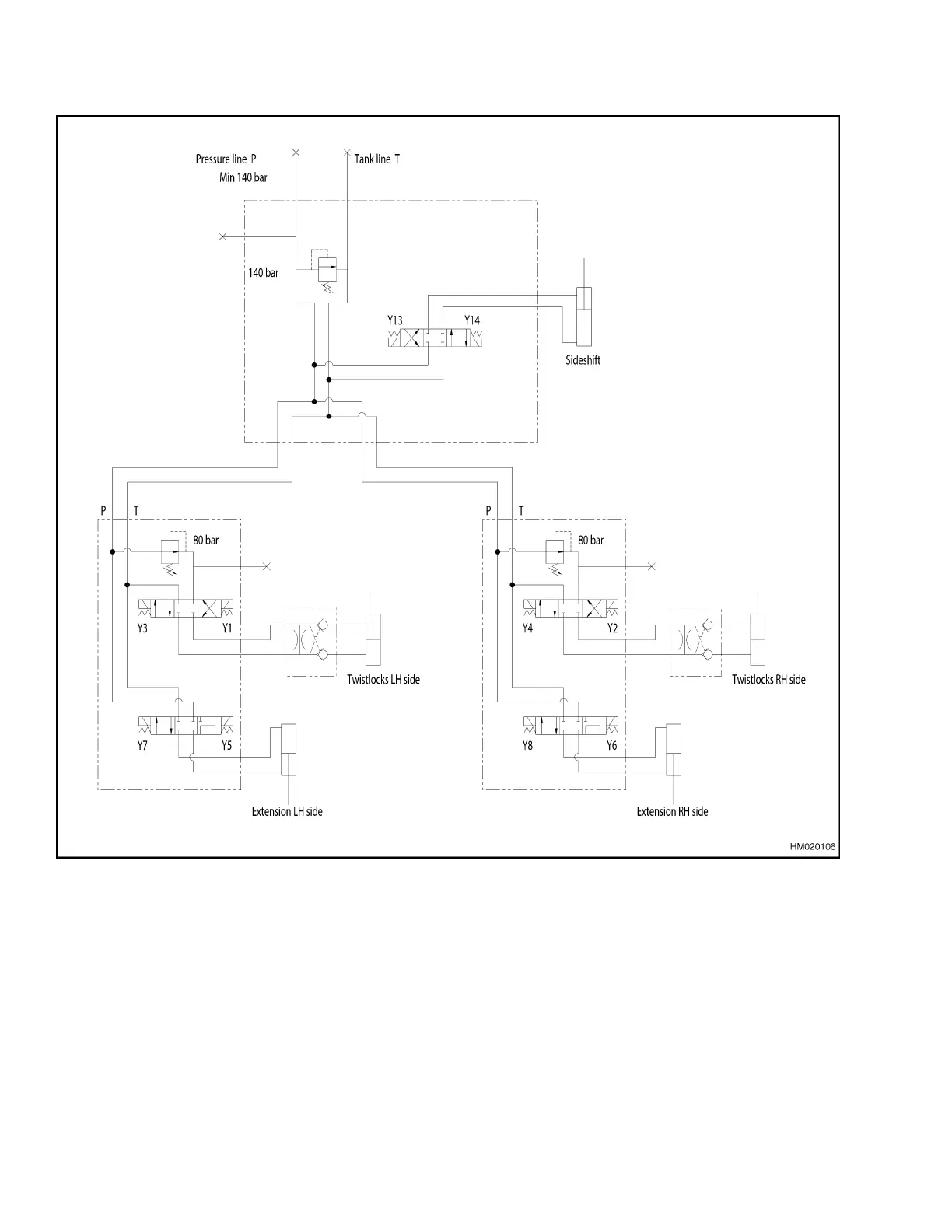
Diagrams, Schematics, or Arrangements 5000 SRM 969
Figure 20. Hydraulic Diagram - Vertical Twist Lock Model 558
36

Related product manuals