EasyManua.ls Logo

Immergas MINI EOLO 28 3E - Boiler Hydraulic Diagram

Immergas MINI EOLO 28 3E
52 pages
Print Icon
To Next Page IconTo Next Page
To Next Page IconTo Next Page
To Previous Page IconTo Previous Page
To Previous Page IconTo Previous Page
Loading...
35
38
INSTALLER
USER
MAINTENANCE TECHNICIAN
TECHNICAL DATA
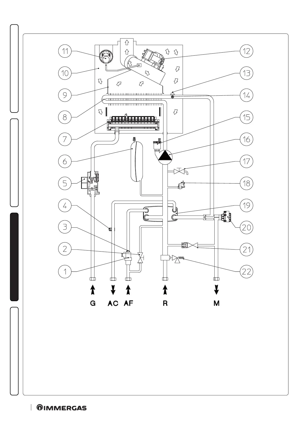
3.4 Boiler Hydraulic diagram.
Key:
1 - Domestic hot water ow switch
2 - System lling valve
3 - Flow limiter
4 - Domestic hot water probe
5 - Gas valve
6 - System expansion vessel
7 - Burner
8 - Primary heat exchanger
9 - Fumes hood
10 - Sealed Chamber
11 - Flue pressure switch
12 - Fan
13 - Delivery probe
14 - Safety thermostat
15 - Vent valve
16 - Boiler pump
17 - System draining valve
18 - System pressure switch
19 - Plate heat exchanger
20 - ree-way valve (motorised)
21 - By-pass
22 - 3 bar safety valve
G - Gas supply
AC - Domestic hot water outlet
AF - Domestic hot water inlet
R - System return
M - System ow

Table of Contents

Other manuals for Immergas MINI EOLO 28 3E

Related product manuals