EasyManua.ls Logo

Immergas Victrix TT - External Probe

Immergas Victrix TT
Print Icon
To Next Page IconTo Next Page
To Next Page IconTo Next Page
To Previous Page IconTo Previous Page
To Previous Page IconTo Previous Page
Loading...
21
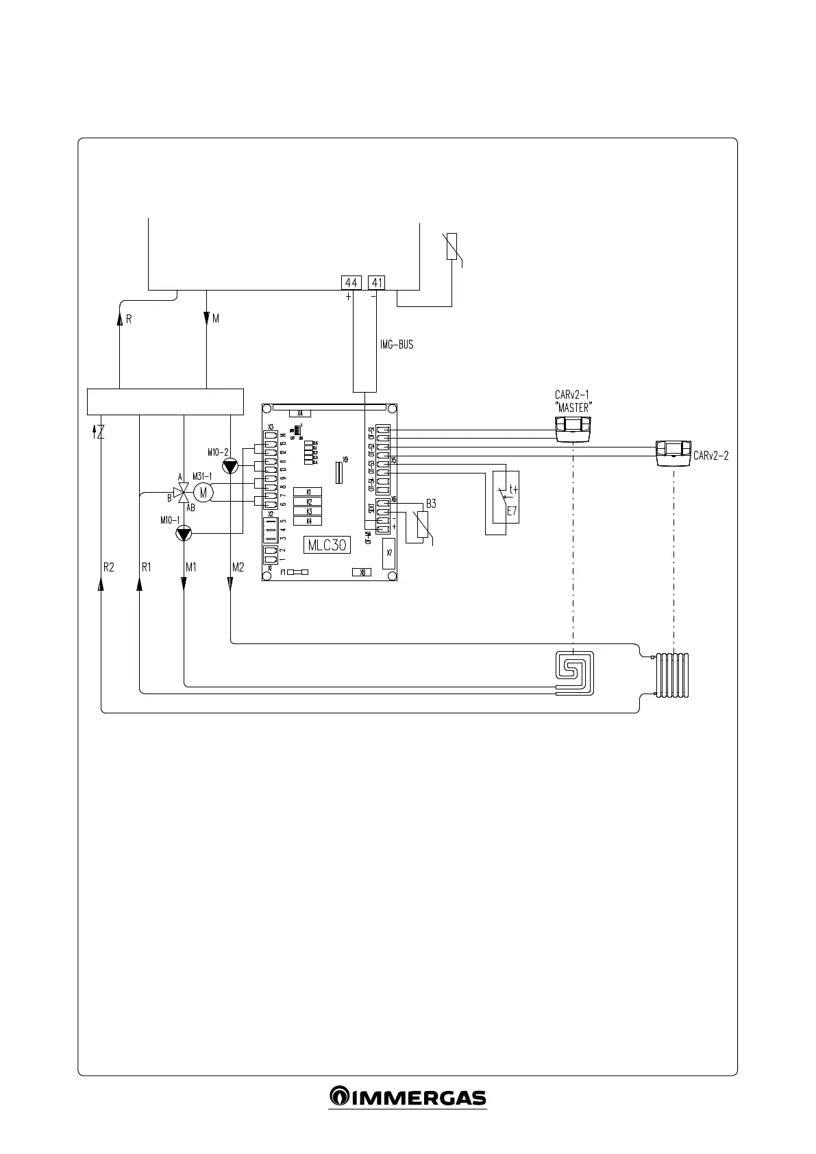
BOILER
EXTERNAL PROBE
(OPTIONAL)
Key:
B3 - Low temperature zone 1 ow probe
CAR
V2
-1 - Comando amico remoto remote control
V2
low temperature zone 1
CAR
V2
-2 - Comando amico remoto remote control
V2
high temperature zone 2
E7-1 - Low temperature zone 1 safety thermostat
M10-1 - Low temperature zone 1 circulator
M10-2 - High temperature zone 2 circulator
M31-1 - Low temperature zone 1 mixing valve
M - System ow
R - System return
Multi-zone kit hydraulic diagram, config-
uration of 1 high temperature zone - 1 low
temperature zone.
22

Related product manuals