EasyManua.ls Logo

Immergas Victrix TT - Wiring Diagrams; Board Setting

Immergas Victrix TT
Print Icon
To Next Page IconTo Next Page
To Next Page IconTo Next Page
To Previous Page IconTo Previous Page
To Previous Page IconTo Previous Page
Loading...
17
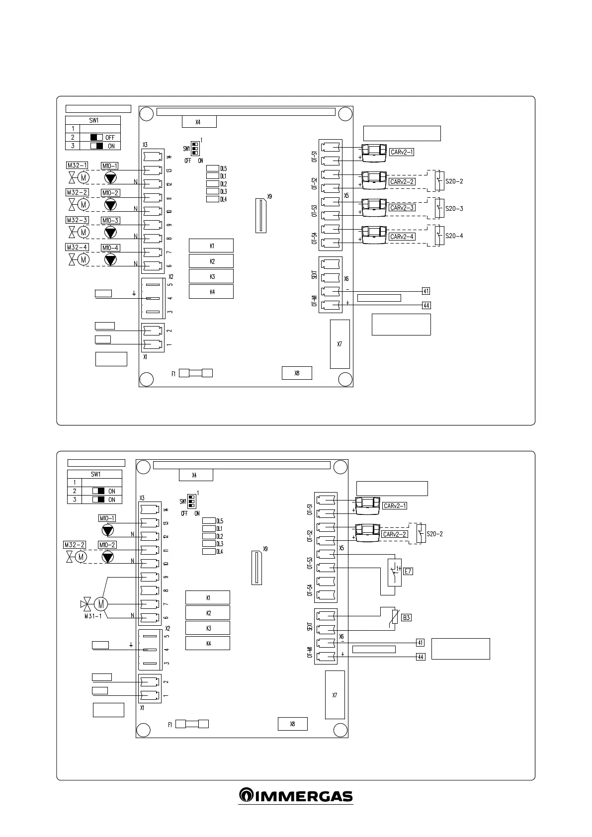
BOARD SETTING
Not Used
Black
Open
Brown
Close
Blue
Earth
Neutral
Line
230Vac 50Hz
power supply
In MASTER (OT-S1)
position only connect CARV2
IMG-BUS boiler
Boiler low voltage
connection terminals
BOARD SETTING
In MASTER (OT-S1)
position only connect CARV2
IMG-BUS boiler
Boiler low voltage
connection terminals
Not Used
Earth
Neutral
Line
230Vac 50Hz
power supply
Key:
CAR
V2
-
Comando amico remoto remote control
V2
zone 1 ÷ 2
B3 - Low temperature zone ow probe
E7 - Low temperature zone safety thermostat
M10-1 -
Zone 1 circulator pump (low temperature zone)
M10-2 -
Zone 2 circulator pump (high temperature zone)
M31-1 - Mixing valve (low temperature zone)
M32-2 - Zone 2 zone valve
S20-2 - Zone 2 room thermostat
SW1 - Board setting selector switch
Key:
CAR
V2
- Comando amico remoto remote control
V2
zone 1 ÷ 4
M10 - Zone 1 ÷ 4 circulator pump
M32 - Zone 1 ÷ 4 zone valve
S20 - Zone 2 ÷ 4 room thermostat
SW1 - Board setting selector switch
Multi-zone kit wiring diagram, conguration of 1
high temperature zone - 1 low temperature zone.
Multi-zone kit wiring diagram, conguration
of 4 high temperature zones.
17
WIRING DIAGRAMS.
18

Related product manuals