EasyManua.ls Logo

IMO VXSM75-1 - Applicable DC Reactors for Harmonic Reduction

IMO VXSM75-1
114 pages
Print Icon
To Next Page IconTo Next Page
To Next Page IconTo Next Page
To Previous Page IconTo Previous Page
To Previous Page IconTo Previous Page
Loading...
11-1 Applicable Reactor
11
11. Applicable Reactor
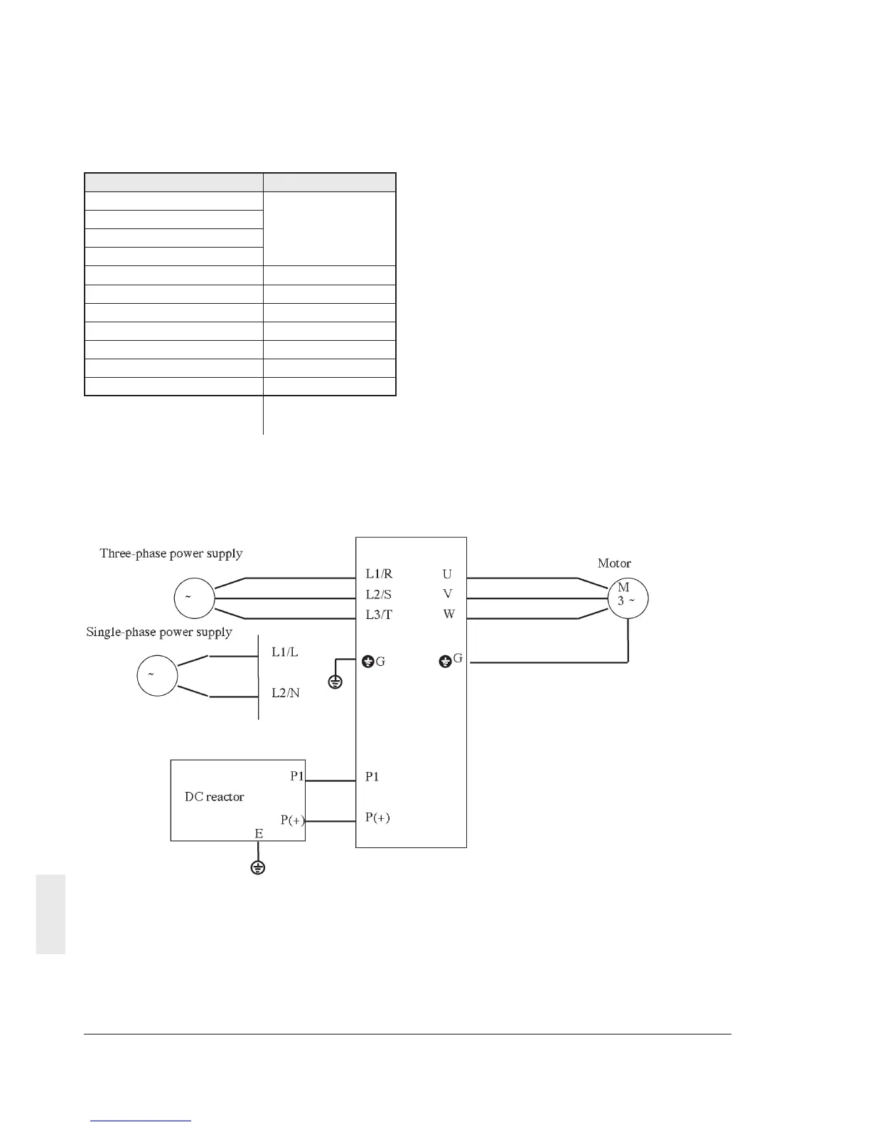
The DC reactors are recommended to reduce
inverter input harmonic current or to correct
inverter input power factor.
Table 11-1-1 List of applicable reactor
Applicable inverter model DC reactor (DCR)
VXSM40-1
VXSM75-1
VXSM150-1
VXSM220-1
VXSM40-3 VXLC40
VXSM40-3 VXLC75
VXSM150-3 VXLC150
VXSM220-3 VXLC220
VXSM400-3 VXLC400
VXSM550-3 VXLC550
VXSM750-3 VXLC750
Fig. 11-1-1 Connection method of DC reactor (DCR)
Connection Method
Contact IMO Precision
Controls Limited

Table of Contents

Related product manuals