EasyManua.ls Logo

Indutherm MC60V - Connection Diagrams

Indutherm MC60V
65 pages
Print Icon
To Next Page IconTo Next Page
To Next Page IconTo Next Page
To Previous Page IconTo Previous Page
To Previous Page IconTo Previous Page
Loading...
Annexe
sales@romanoff.com | www.romanoff.com
2019-01-08
10-6
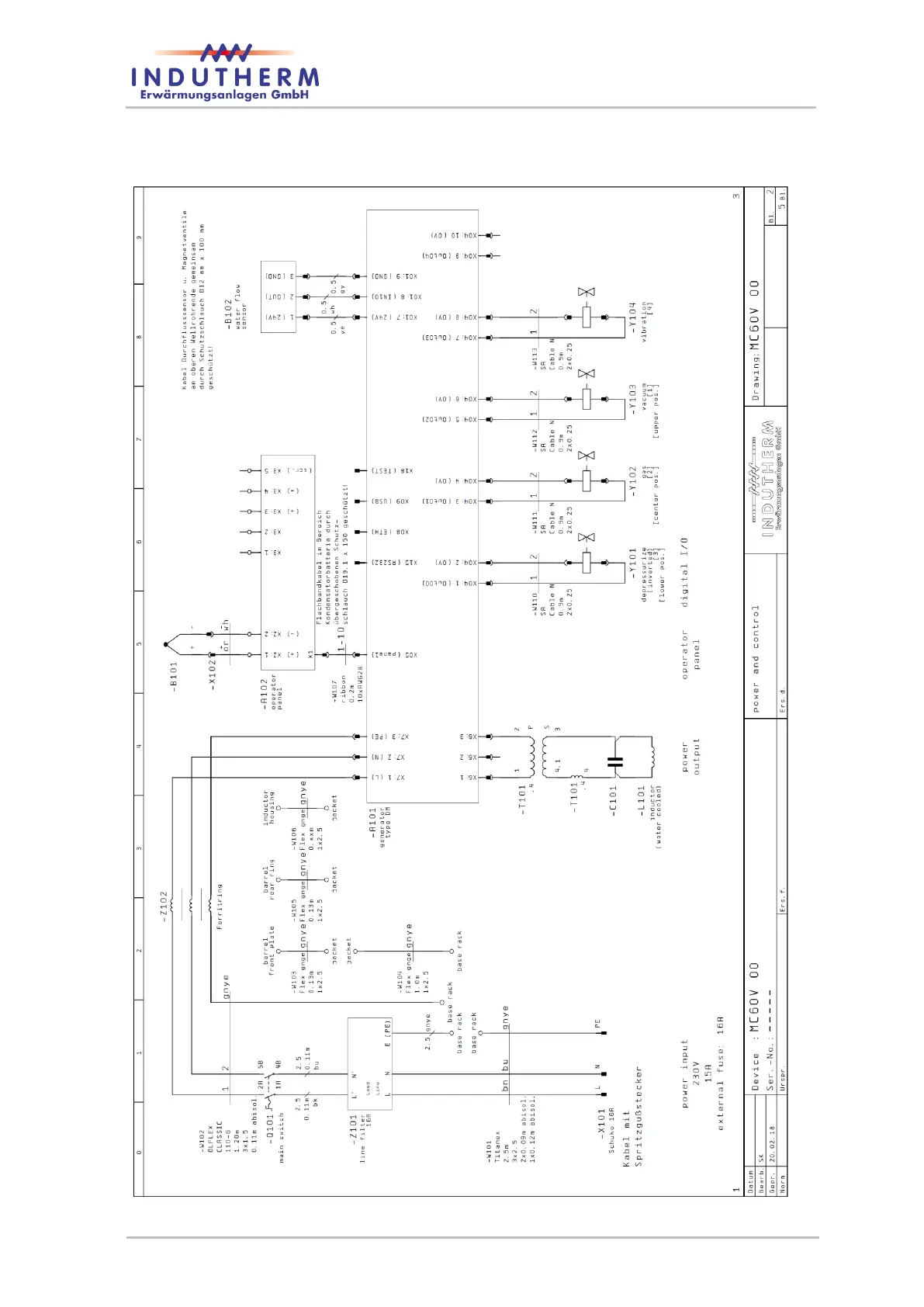
10.3 Connection diagrams
Figure 37: connection diagram

Table of Contents