EasyManua.ls Logo

Inficon PCG554 - D-Sub HD, 15-Pin Connector

Inficon PCG554
72 pages
Print Icon
To Next Page IconTo Next Page
To Next Page IconTo Next Page
To Previous Page IconTo Previous Page
To Previous Page IconTo Previous Page
Loading...
tina56e1-f (2015-09) 31
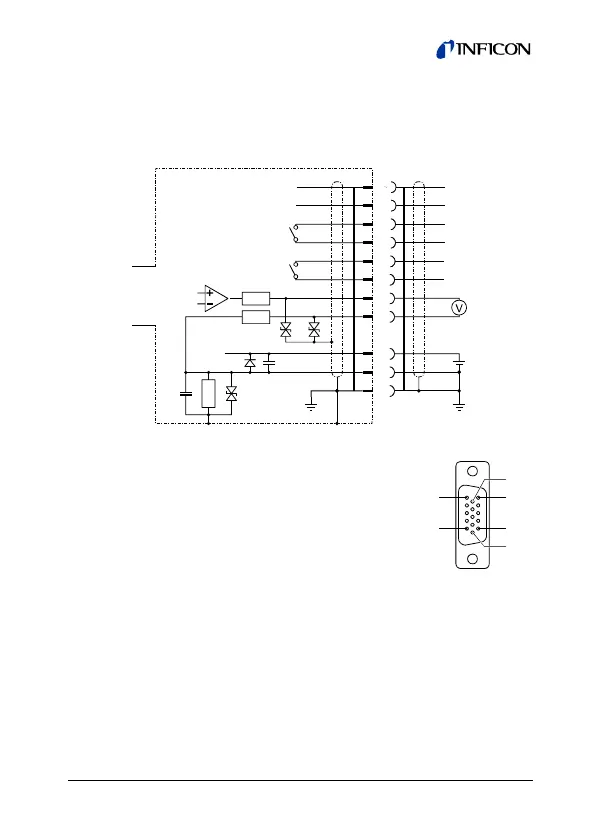
3.2.3 D-Sub HD, 15-pin Connector
If no sensor cable is available, make one according to the
following diagram. Connect the sensor cable.
11
15
5
6
3
4
12
14
10
13
+
+
10k
+24V
RxD
TxD
SP1
SP2
4.7Ω
4.7Ω
18V
Measurement
signal
Electrical connection
Pin 1, 2 n.c.
Pin 3 Supply
Pin 4 Supply common, GND
Pin 5 Measurement signal
Pin 6 Signal common
Pin 7, 8, 9 n.c.
Pin 10 Relay SP1 (NO)
Pin 11 Relay SP2 (NO)
Pin 12 Relay SP2
Common contact (com)
Pin 13 RS232, TxD
Pin 14 RS232, RxD
Pin 15 Relay SP1
Common contact (com)
1
5
11
15
6
10
D-Sub HD
15-pin
female
soldering side

Other manuals for Inficon PCG554

Related product manuals