EasyManua.ls Logo

INFOSEC M4T - Control Panel and Connection Diagrams

INFOSEC M4T
48 pages
Print Icon
To Next Page IconTo Next Page
To Next Page IconTo Next Page
To Previous Page IconTo Previous Page
To Previous Page IconTo Previous Page
Loading...
INFOSEC UPS SYSTEM - 4, rue de la Rigotière - 44700 Orvault - FRANCE - www.infosec-ups.com
Hot Line – Tel + 33 (0)2 40 76 15 82 - Fax + 33 (0)2 40 94 29 51 - hotline@infosec.fr – 03 11 AA AA 201 18
7
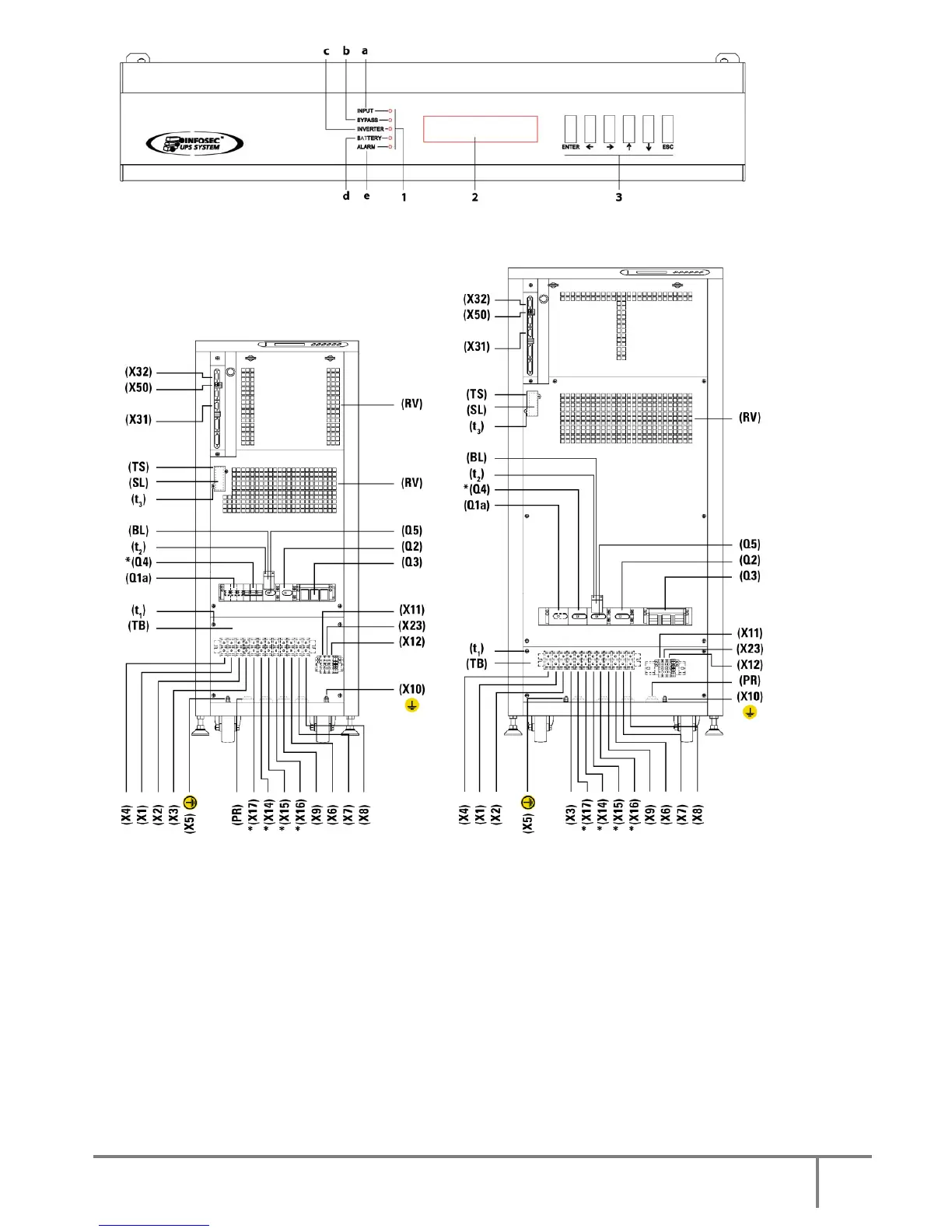
Fig.3. Control panel view.
Only in optional version -B (Independent Static Bypass line).
Fig.4.
Cabinet front view for UPS devices up to 20kVA with front door
opened and configuration of three phase input and output.
Fig.5.
Cabinet front view for UPS devices from 30 to 80kVA with front door
opened and configuration of three phase input and output.

Table of Contents

Related product manuals