EasyManua.ls Logo

INIM PREVIDIA COMPACT - Connecting Devices with Alarm;Fault Outputs to I;O Inputs; Relay Output Wiring and EN54 Configuration

INIM PREVIDIA COMPACT
28 pages
Print Icon
To Next Page IconTo Next Page
To Next Page IconTo Next Page
To Previous Page IconTo Previous Page
To Previous Page IconTo Previous Page
Loading...
Installation manual
Installation 23
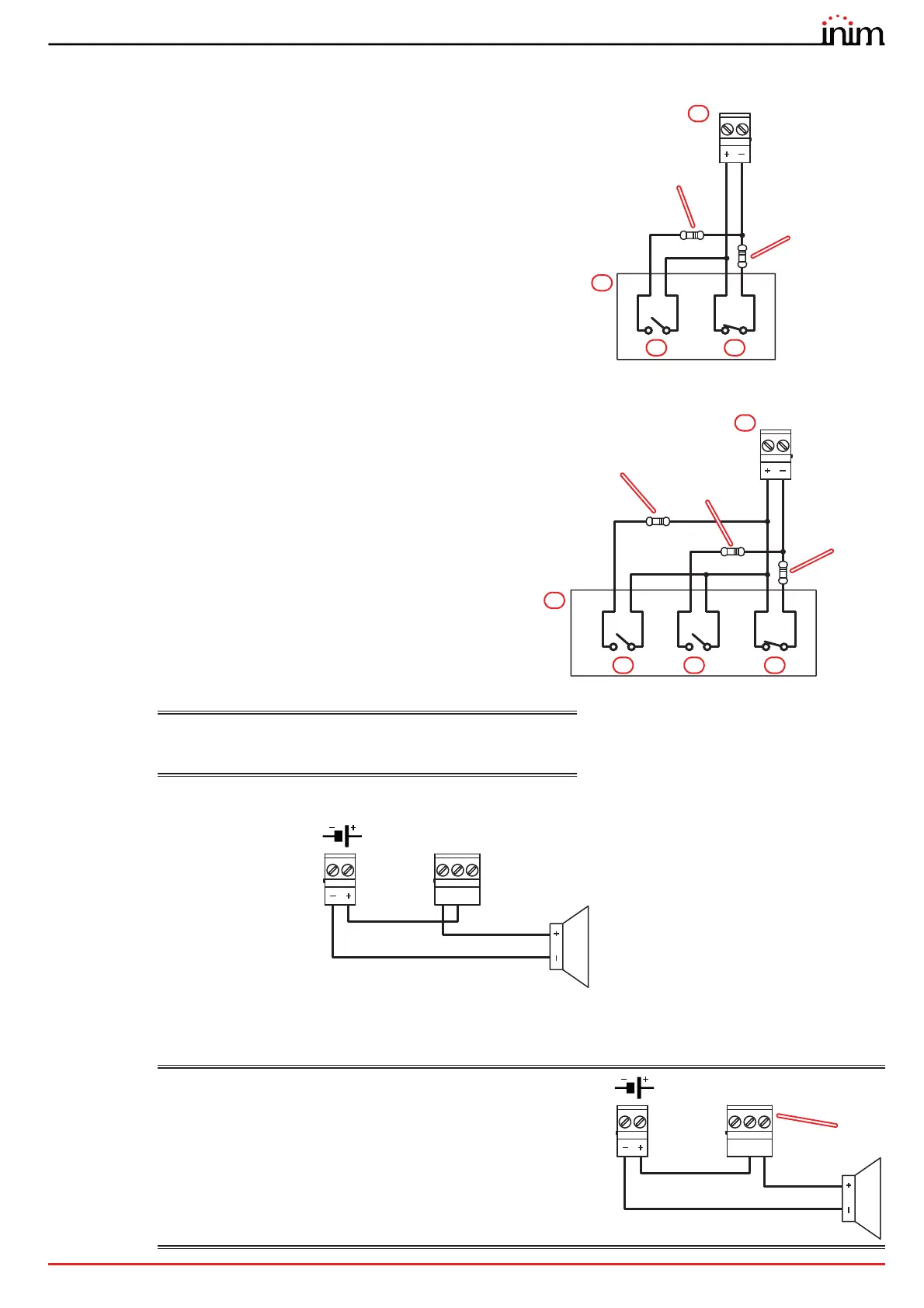
Connection of devices with alarm and fault outputs to channels configured as input
The wiring diagram illustrates a connection made to one of
the “I/O” channels [A], configured as input. The connected
device [B] is equipped with a normally closed fault signalling
output [C] and a normally open alarm signalling output [D].
Connection of devices with alarm, early warning and
fault outputs to channels configured as input
The wiring diagram illustrates a connection made to one of
the “I/O” channels [A], configured as input. The connected
device [B] is equipped with a normally-closed fault signalling
output [C], a normally-open alarm signalling output [D] and a
normally-open early warning signalling output [E].
3.5 Relay output wiring
Cables:
2/3 wire shielded cable
Proper section (minimum 0.5mm², maximum 2.5 mm²)
Compliant with local laws and regulations in force
The relay output of the module (terminals “27-28-29”) must be connected according to the following diagram:
All voltage free relay contact can only be connected to SELV circuits.
The illustrated connection does not supervise the cable and does not signal connection faults.
EN54:
If the control panel default settings are left unchanged,
the RELAY output will result as being configured as a
fault signalling output.
In compliance with the regulations in force, the output
must be configured as “inverted” in order to switch to
fault condition when the system is completely without
power.
Therefore, in stand-by status (no faults present on the
system) terminals C and NO will be closed, whereas
terminals C and NC will be open.
I/Ox
3K9Ohm
orange, white,
red
B
C
A
470Ohm
yellow, purple,
brown
D
I/Ox
3K9Ohm
orange, white,
red
B
E D
A
470Ohm
yellow, purple,
brown
1KOhm
brown, black,
red
C
RELAY
CNO NC
27.6V
RELAY
CNO NC
27.6V
inverted

Related product manuals