EasyManua.ls Logo

Integra DTR-7.7 - HDMI Video Setup

Integra DTR-7.7
213 pages
Print Icon
To Next Page IconTo Next Page
To Next Page IconTo Next Page
To Previous Page IconTo Previous Page
To Previous Page IconTo Previous Page
Loading...
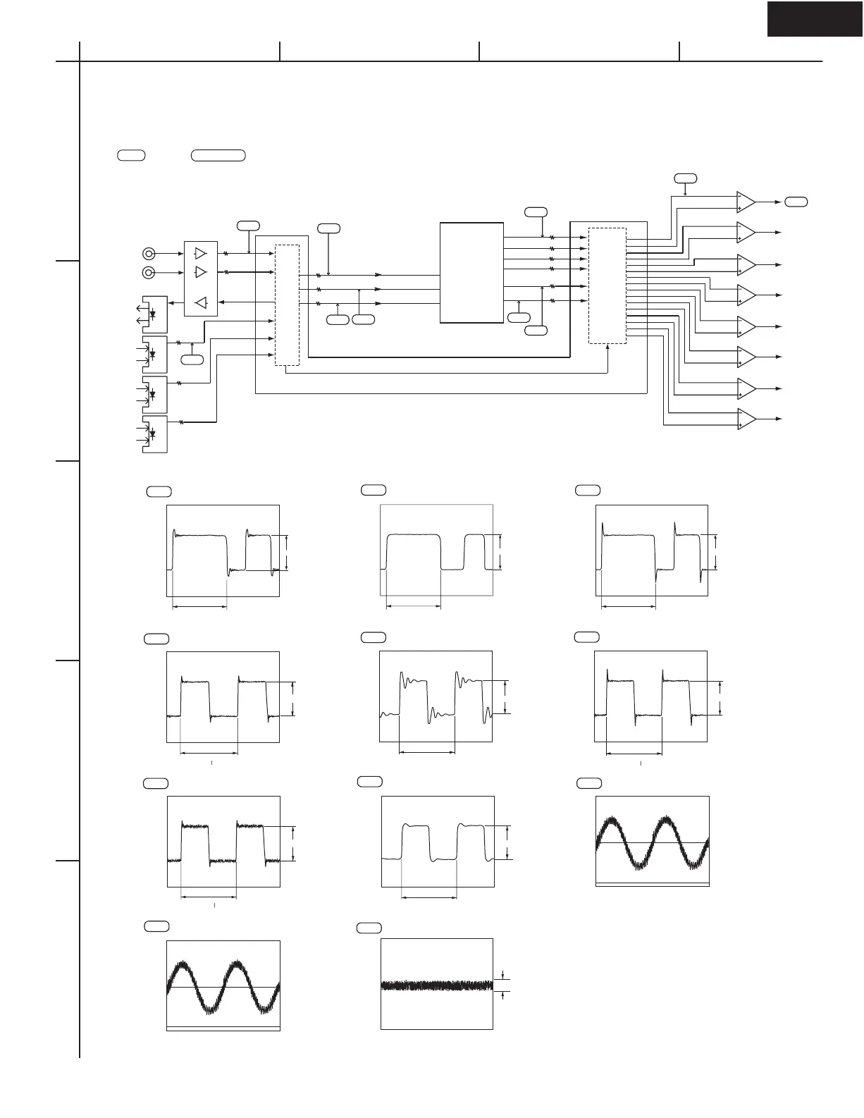
SCHEMATIC DIAGRAM-13 (SD-13)
DIGITAL AUDIO WAVE FORM SECTION
DTR-7.7
A
1
2
3
4
5
BCD
Q400
Q400
Q401
Q402
Q402
Q403
Q403
Q401
IN
VCC
GND
Q212
74HCU04F
9
13
10
6
IN
VCC
GND
IN
VCC
GND
IN
VCC
GND
47
42
45
43
44
50
1
4
Q201
DSP
DIR
Q361
DAC
Fs=48kHz : DVD, Clock width=20.8us
Fs=44.1kHz : CD, Clock width=22.7us
64Fs=3072kHz : DVD, Clock width=325ns
64Fs=2822.4kHz : CD, Clock width=354ns
LR CLOCK (SAI_LRCK, CX_LRCK)
BIT CLOCK (SAI_SLCK, CX_SLCK)
MASTER CLOCK=128Fs or 256Fs
CS42528-CQ
WF01 is short for WaveForm01 .
OPT1
OPT2
OPT3
DIGITAL
OUT
COAX1
COAX2
COAX1
COAX2
OPT1
OPT2
OPT3
TX
SAI_SDOUT
SAI_SLCK
SAI_LRCK
CX_SCLK
CX_LRCK
120
139
141
111
117
CX_SDIN1
107
1
2
3
33
32
30
31
37
29
36
26
28
27
23
20
22
34
21
35
FL
FR
C
SL
SR
SBL
SBR
SW
54
61
60
CS494003
WF01
WF02
WF03
WF04
WF05
WF06
WF07
WF08
WF09
WF10
WF01
WF02
WF04
WF05
WF07
WF08
WF10
CX_SDIN2
106
64
CX_SDIN3
109
63
CX_SDIN4
110
62
4.0V
Duty varies according to audio data
3.3V
3.3V
325 ns
5.0V
Duty always varies according to audio data
3.3V
Duty varies according to audio data
OPT1
COAX1
SAI_SDOUT
SAI_LRCK
SAI_SLCK
CX_SDIN1
CX_LRCK
CX_SCLK
DAC_OUT-
AUDIO_FL
DAC_OUT+
DAC_OUT-
AUDIO_FL
WF10
AUDIO_FL
3.3V
3.3V
20.8us
3.3V
325 ns
20.8us
20.8us
220mVp-p
Aliasing noise in no audio data
Analog audio wave form with aliasing noise
0V
2.8V
Analog audio wave form with aliasing noise
NOTE:
1.
2. Refer to SD-6(SCHEMATIC DIAGRAM-6) for details.
R111
R112
R113
R377
R372
R381
L367
R384
R361
R387
R386
R385
L362
R362
0V
2.8V
WF03
WF06
WF09

Other manuals for Integra DTR-7.7

Related product manuals