EasyManua.ls Logo

Integra DTR-7.7 - Advanced Setup; Correcting Sound and Picture Sync

Integra DTR-7.7
213 pages
Print Icon
To Next Page IconTo Next Page
To Next Page IconTo Next Page
To Previous Page IconTo Previous Page
To Previous Page IconTo Previous Page
Loading...
IC BLOCK DIAGRAMS AND TERMINAL DESCRIPTIONS -9
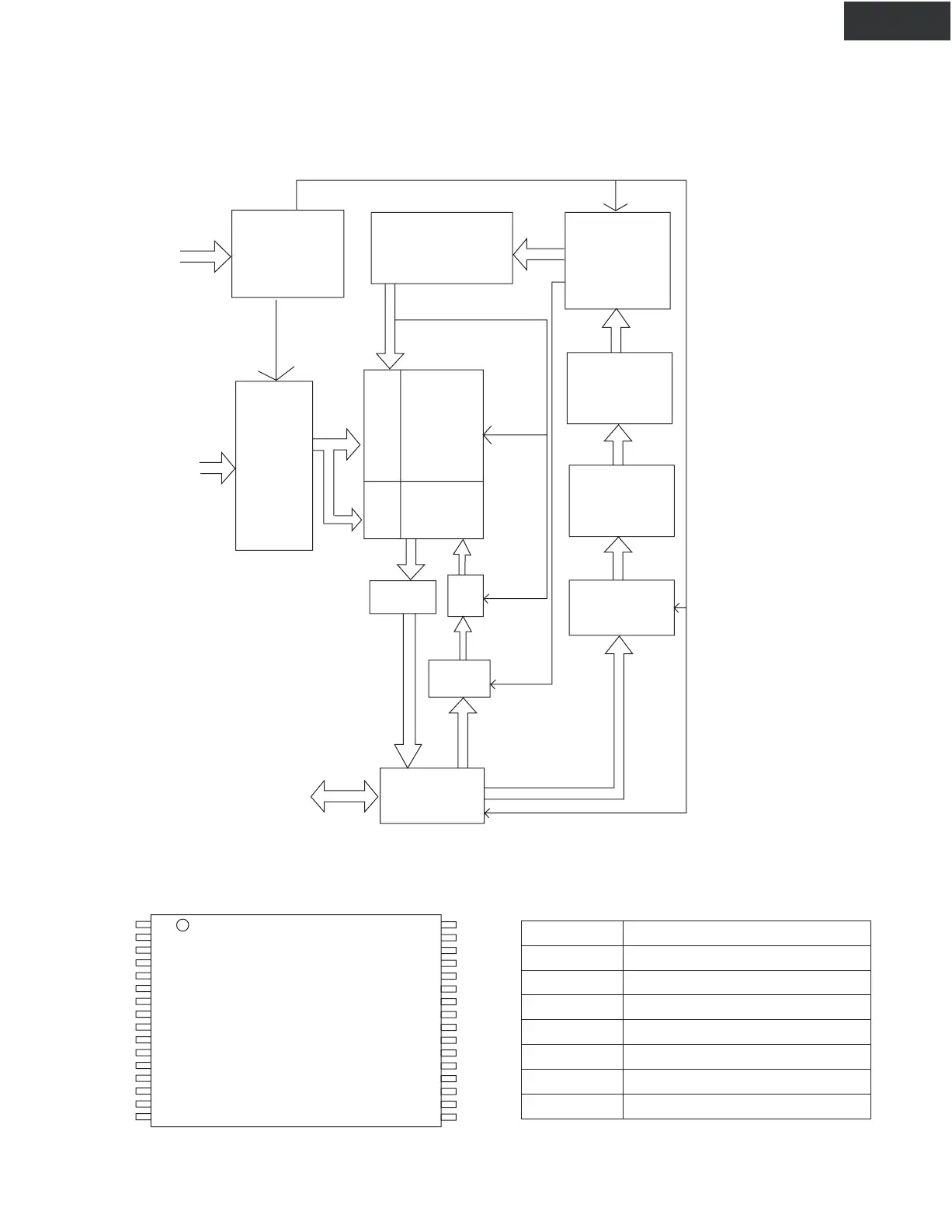
Q211: MX26LV040 (4M-bit CMOS Single Voltage 3V High Speed Flash Memory)
PIN CONFIGURATION
TERMINAL DESCRIPTION
BLOCK DIAGRAM
DTR-7.7
CONTROL
INPUT
LOGIC
PROGRAM/ERASE
HIGH VOLTAGE
WRITE
STATE
MACHINE
(WSM)
STATE
REGISTER
MX29LV040
FLASH
ARRAY
X-DECODE
R
ADDRESS
LATCH
AND
BUFFER
Y-PASS GATE
Y-DECODER
ARRAY
SOURCE
HV
COMMAND
DATA
DECODER
COMMAND
DATA LATCH
I/O BUFFER
PGM
DATA
HV
PROGRAM
DATA LATCH
SENSE
AMPLIFIER
Q0-Q7
A0-A18
#CE
#OE
#WE
A11
A9
A8
A13
A14
A17
WE#
VCC
A18
A16
A15
A12
A7
A6
A5
A4
1
2
3
4
5
6
7
8
9
10
11
12
13
14
15
16
OE#
A10
CE#
Q7
Q6
Q5
Q4
Q3
GND
Q2
Q1
Q0
A0
A1
A2
A3
32
31
30
29
28
27
26
25
24
23
22
21
20
19
18
17
MX26LV040
Pin Name
Description
A0~A18
Address Input
Q0~Q7
Data Input/Output
CE#
Chip Enable Input
WE#
Write Enable Input
OE#
Output Enable Input
GND
Ground Pin
VCC
+3.0V single power supply

Other manuals for Integra DTR-7.7

Related product manuals