EasyManua.ls Logo

Integra DTR-7.7 - Troubleshooting; Tuner

Integra DTR-7.7
213 pages
Print Icon
To Next Page IconTo Next Page
To Next Page IconTo Next Page
To Previous Page IconTo Previous Page
To Previous Page IconTo Previous Page
Loading...
IC BLOCK DIAGRAMS AND TERMINAL DESCRIPTIONS -23
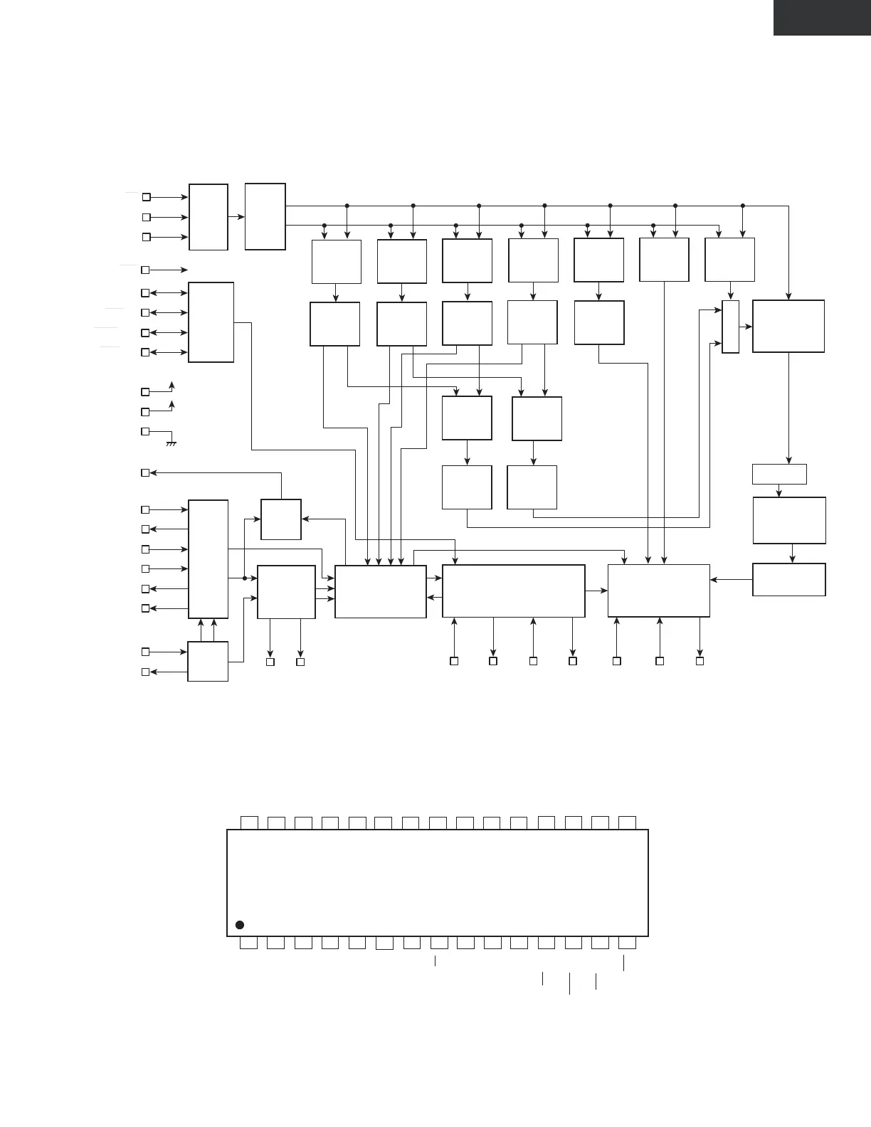
Q4004: LC74763-9836 (On-Screen Display IC)
BLOCK DIAGRAM
PIN CONFIGRATION
VDD1
SYNCDET
VCOOUT
VCOIN
FC
AMPOUT
PDOUT
VSS
SEPC
SYNCIN
CVCR
CVIN
VDD2
CVOUT
LC74763
VSS
XTALIN1
XTALOUT1
HSYNCOUT
XTALIN2
XYALOUT2
VSYNCOUT
CS
SIN
SCLK
SECAM
525/625
NTSC/PAL
3.58/4.43
RST
30
29
28
27
26
25
24
23
22
21
20
19
18
17
16
1
2
3
4
5
6
7
8
9
10
11
12
13
14
15
AMPIN
DTR-7.7
Display RAM
Decoder
RAM write
address
counter
Display
control
register
Flashing/
reversal
control
register
Serial-
parallel
converter
8-bit latch
and
command
decoder
Horizontal
character
size register
Vertical
character
size register
Horizontal
display
position
register
Vertical
display
position
register
Vertical
dot counter
Horizontal
dot counter
Vertical
size
counter
Horizontal
size
counter
Composite
synchro-
nization
signal
control
Decoder
Font ROM
Shift register
Character output control
Background control
video output control
Synchronization
signal generator
Vertical
display
position
detection
Horizontal
display
position
detection
Line
control
counter
Character
control
counter
Sync
detector
Composite
synchronization
signal separator
control
Timing generator
AFC
circuit
Sync
separator
Flashing/
reversal
control
circuit
CVOUTCVINCVCR
Xtal OUT2
Xtal IN2
Xtal OUT1
Xtal IN1
VSYNOUTHSYNOUT
CS
SIN
SCLK
RST
SECAM
525/625
NTSC/PAL
3.58/4.43
VDD1
VDD2
VSS
SYNCDET
VCOIN
VCOOUT
FC
AMPIN
AMPOUT
PDOUT
SYSIN
SEPC