EasyManua.ls Logo

Integra DTR-7.7 - Page 94

Integra DTR-7.7
213 pages
Print Icon
To Next Page IconTo Next Page
To Next Page IconTo Next Page
To Previous Page IconTo Previous Page
To Previous Page IconTo Previous Page
Loading...
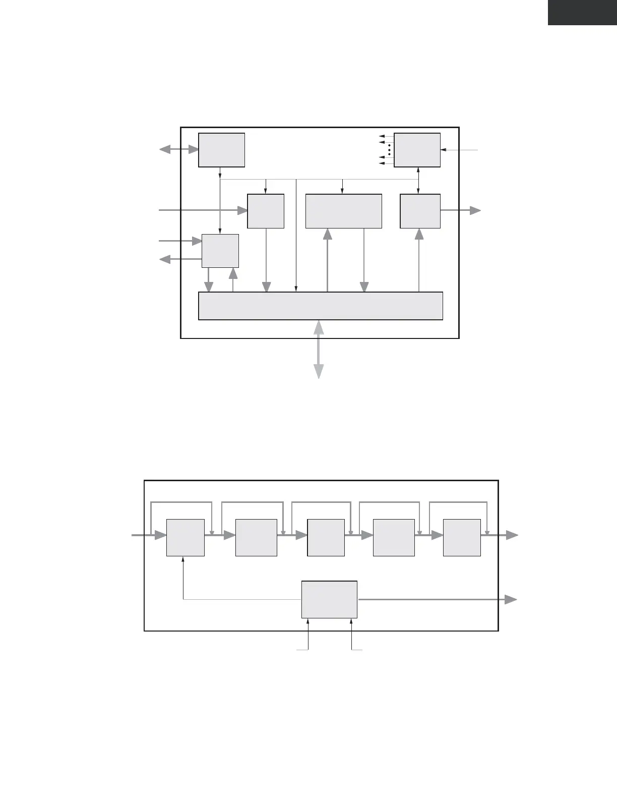
IC BLOCK DIAGRAMS AND TERMINAL DESCRIPTIONS -26
Q8001 : SII504 (I/P Video Converter)
BLOCK DIAGRAM
Video Output Section BLOCK DIAGRAM
DTR-7.7
Video
Input
Memory Controller
Deinterlace
Processor
Video
Output
Host
Interface
Audio/
Video
Sync
Field
Data
Frame
Data
Frame
Data
Interlaced
Video Input
Field
Data
Serial Audio Input
Serial Audio Output
Serial or
parallel bus
SDRAM
Control, Address,
and Data
Progressive
Video Output
Configuration Register Outputs
Audio
Data
Clock
Generation
C
L
O
C
K
S
27 MHz
Master Clock
4:2:2
to
4:4:4
Conversion
10-bit
Color
Lookup
Table
Horizontal
Scaler
Frame Data
From
SDRAM
Controlle
r
RGB/
YCrCb
Output
YC
r
C
b
to
RGB
Conversion
Bypass Bypass Bypass Bypass
Dither
Generator
Bypass
Video
Timing
Generator
Syncs,
Blank,
LCD Pwr
Start Frame Transfer
Pixel
Clock
GenLock
From
Video Input