EasyManua.ls Logo

Intel 460GX - Data Flow Errors; SAC Error Flow on Data

Intel 460GX
294 pages
Print Icon
To Next Page IconTo Next Page
To Next Page IconTo Next Page
To Previous Page IconTo Previous Page
To Previous Page IconTo Previous Page
Loading...
Data Integrity and Error Handling
6-14 Intel® 460GX Chipset Software Developers Manual
Take the case where processor 1 reads a line from memory and there are no errors, and then does a
write into its cache. Later processor 2 does a read, getting an IWB. The SAC starts a speculative
read for the line before seeing the HITM#. If the data in DRAM has a 2x error on this read the
SDC data buffer will be marked as having a 2x error on this line. In this case, assuming the
speculative read is done (in some cases the HITM# is seen before the memory cycle is attempted,
so no speculative read is done), the IWB data that is written back into memory will be poisoned.
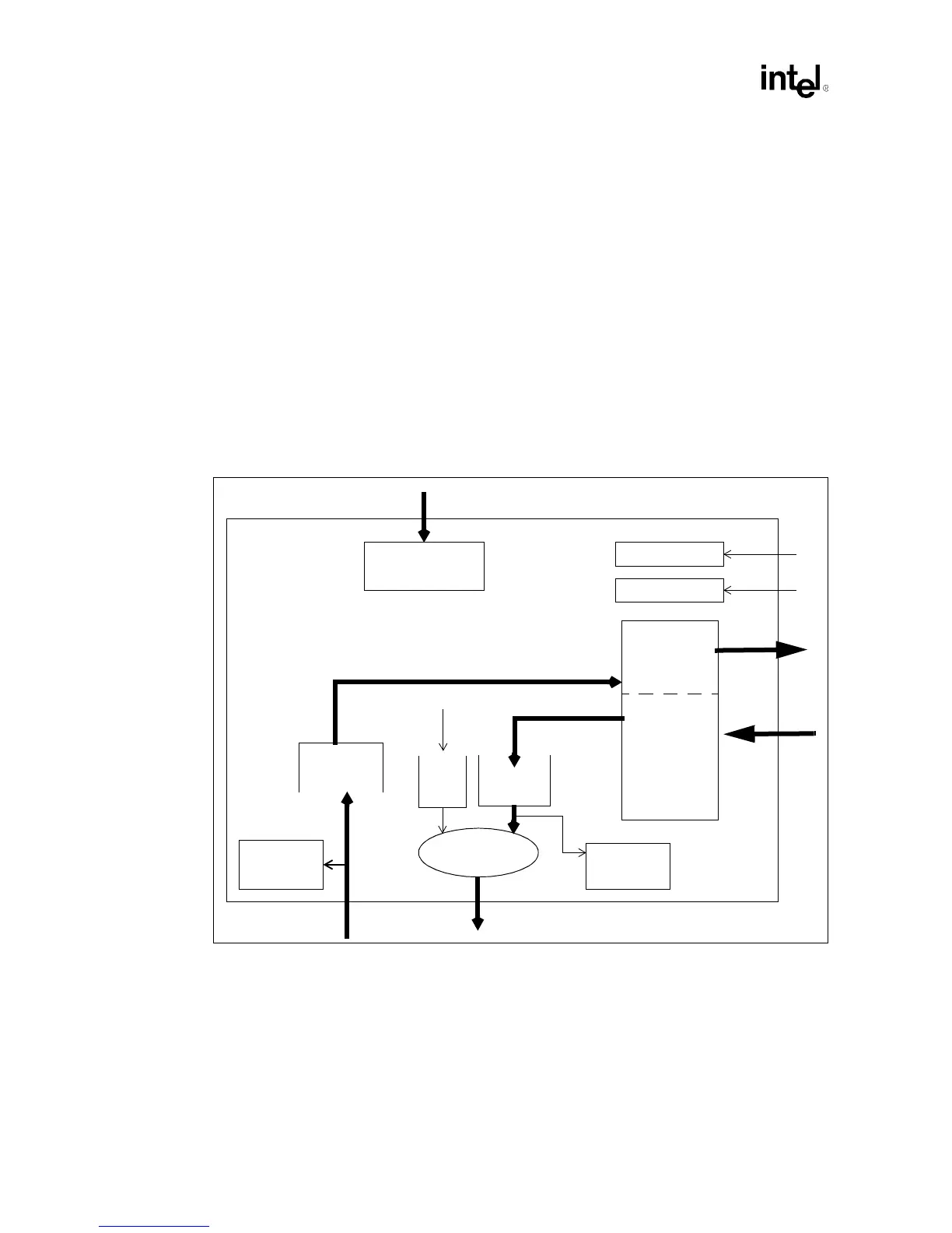
6.9 Data Flow Errors
Figure 6-1 and Figure 6-2 show the data flow and errors that are checked. The SDC will report
DRAM errors for either single-bit (S) or double-bit (D) fails. The SDC will never signal that an
error was fatal (causing BINIT#). The processor will handle data that it receives with bad ECC.
The memory will have bad ECC written to it, if incoming data is bad. Data to the SAC will be
handled by the SAC itself. Either the SAC will BINIT# on seeing bad data or it will pass it on to
the xXB via an Expander port.
Figure 6-1. SAC Error Flow on Data
2b BE
From
BIU
16b data,
1Parity
1 parity, 16 data,
2 BE
68b bus
1 parity per
16b of data
1 parity per 18 bits (16 data and 2 BE)
1 parity per 16 bits (16 data)
Expander: To xXBExpander: From xXB
Generate
parity as DP xor
BE0 xor BE1, not
18-way XOR
From
BIU
Check parity.
.
Check parity.
ITID
RETIREMENT
BUS
System Bus
Address parity.
Request parity
.
Bus protocol checking
Pass data with
good/bad parity to
SDC or Expander (peer).
Pass data from SDC
to Expander bus with
good/bad parity.
No checking done.
No checking done.
Check parity on
header and data.
Check for HF.
Check outgoing
parity from data
buffer.
From
SDC
TO
SDC

Table of Contents

Related product manuals