EasyManua.ls Logo

Interroll DriveControl 20 - Components

Default Icon
36 pages
Print Icon
To Next Page IconTo Next Page
To Next Page IconTo Next Page
To Previous Page IconTo Previous Page
To Previous Page IconTo Previous Page
Loading...
9
Version 2.0 (11/2013) en
Translation of the original instructions
DriveControl DC-20/DC-54
Product information
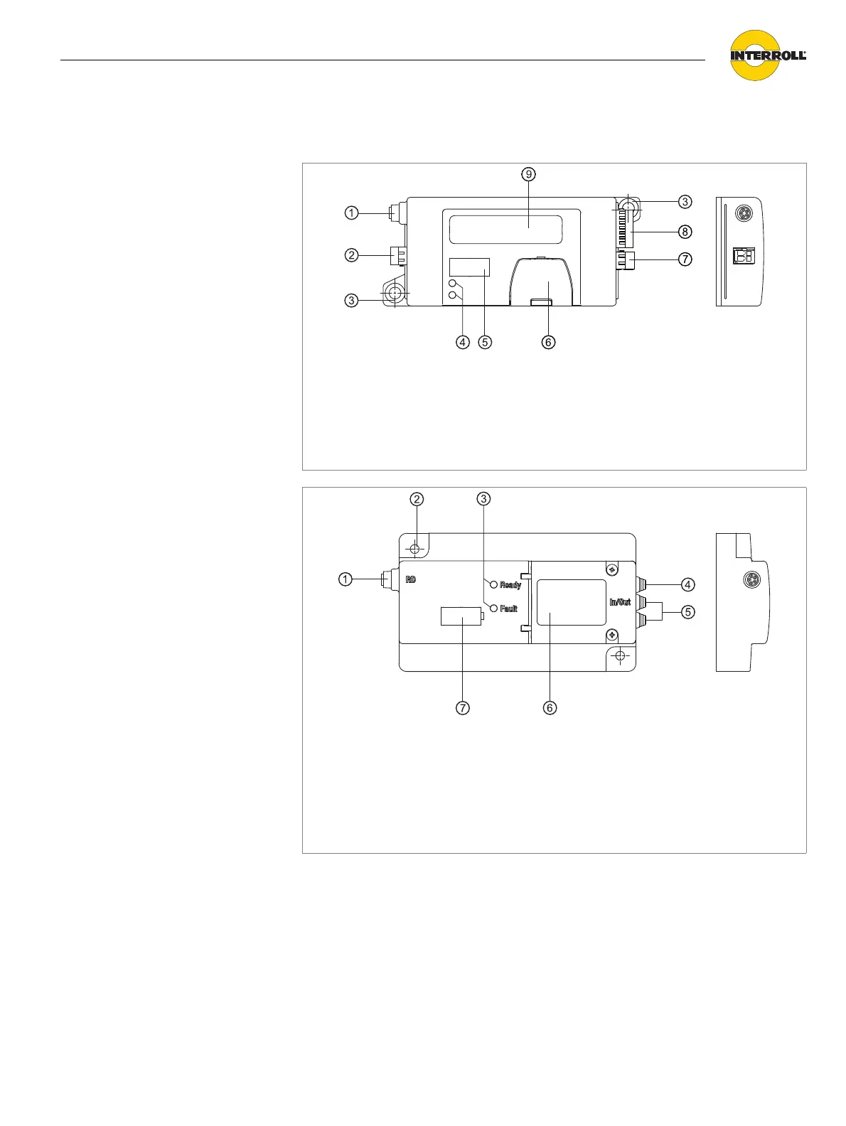
Components
For detailed description of connections see "Inputs and outputs", page 18.
DriveControl 20
1 RollerDrive connector
2 Power supply connection
3 Mounting link with hole for
countersunk screw
4 LED red and green
5 Marker (changeable)
6 Cover for DIP switches
7 Power supply connection
8 Connection of inputs/outputs
9 Label
DriveControl 54
1 RollerDrive connector
2 Mounting holes
3 LED red and green
4 Lead-in for connection of
inputs/outputs
5 Lead-in for power supply
connection
6 Cover for DIP switches and for
power supply terminals and
input/output terminals; label
7 Marker (changeable)

Related product manuals