EasyManua.ls Logo

Intertek FT Series - Control Board, Electrical Diagram

Default Icon
96 pages
Print Icon
To Next Page IconTo Next Page
To Next Page IconTo Next Page
To Previous Page IconTo Previous Page
To Previous Page IconTo Previous Page
Loading...
Page 54
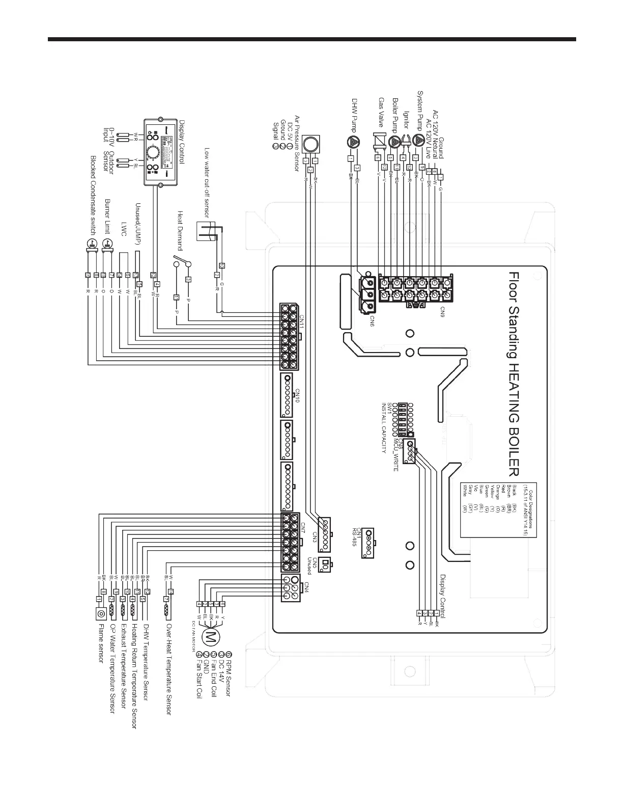
Control Board
4.21 Control Board, Electrical Diagram

Table of Contents