EasyManua.ls Logo

ITech IT-M3400 Series - Multi-Channel Function

ITech IT-M3400 Series
153 pages
Print Icon
To Next Page IconTo Next Page
To Next Page IconTo Next Page
To Previous Page IconTo Previous Page
To Previous Page IconTo Previous Page
Loading...
Multi-Machine Operation
Synchronization operation:
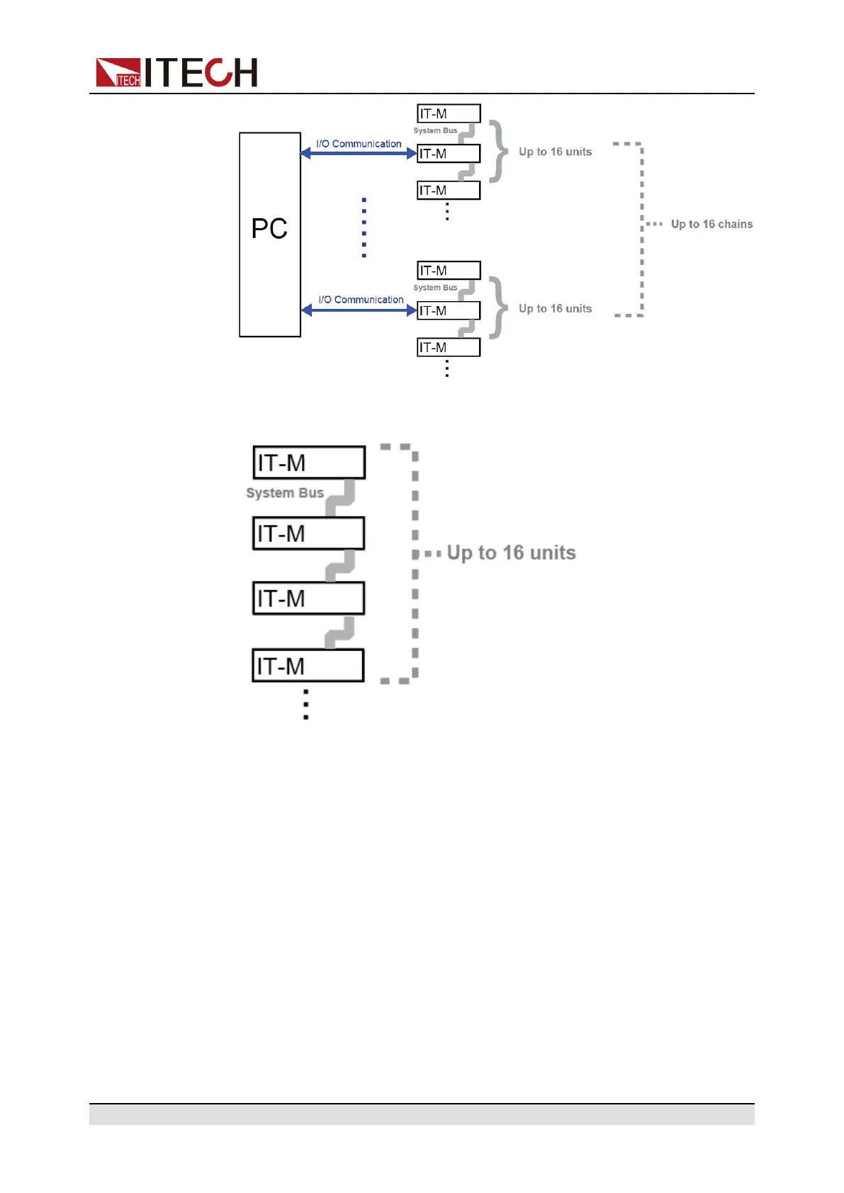
8.1 Multi-Channel Function
For multi-channel operation controlled by the PC software, the user will need to
install one communication card only into one of the multiples units, and other
instruments are connected with the PC through a multi-channel connection with
system bus. The cost of the communication cards is saved, and the connection
interface on the PC side is also reduced. When using the multi-channel
function, the instruments in the channels do not require the same model, and all
models in the same series can form a multi-channel power system. Up to 16 *
16 channels, each instrument in the control system can be controlled
independently in software, and each channel can be operated completely
independently.
Copyright © Itech Electronic Co., Ltd.
94

Table of Contents

Other manuals for ITech IT-M3400 Series

Related product manuals