EasyManua.ls Logo

Jack JK-T9280D - Page 59

Default Icon
65 pages
Print Icon
To Next Page IconTo Next Page
To Next Page IconTo Next Page
To Previous Page IconTo Previous Page
To Previous Page IconTo Previous Page
Loading...
-27-
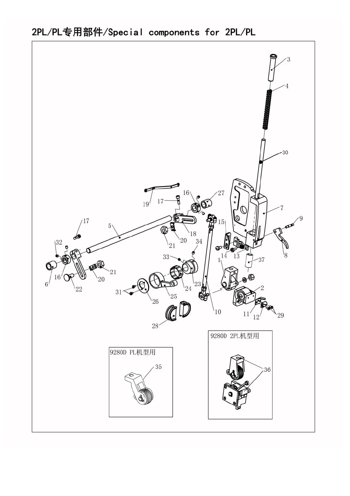
2PL
/ PL~fflftBf4/ Special
components
for
2PL
/
PL
9280D
PL;!:JLID!ffl
35
9280D
2PUJLID!ffl
36
3
4
30
9
From the library of Superior Sewing Machine & Supply LLC - www.supsew.com

Table of Contents

Related product manuals