EasyManua.ls Logo

Jackle ProPuls 320 Compact - Schaltplan; Circuit Diagram

Jackle ProPuls 320 Compact
Print Icon
To Next Page IconTo Next Page
To Next Page IconTo Next Page
To Previous Page IconTo Previous Page
To Previous Page IconTo Previous Page
Loading...
ProPuls 320C
Operating manual Page 67
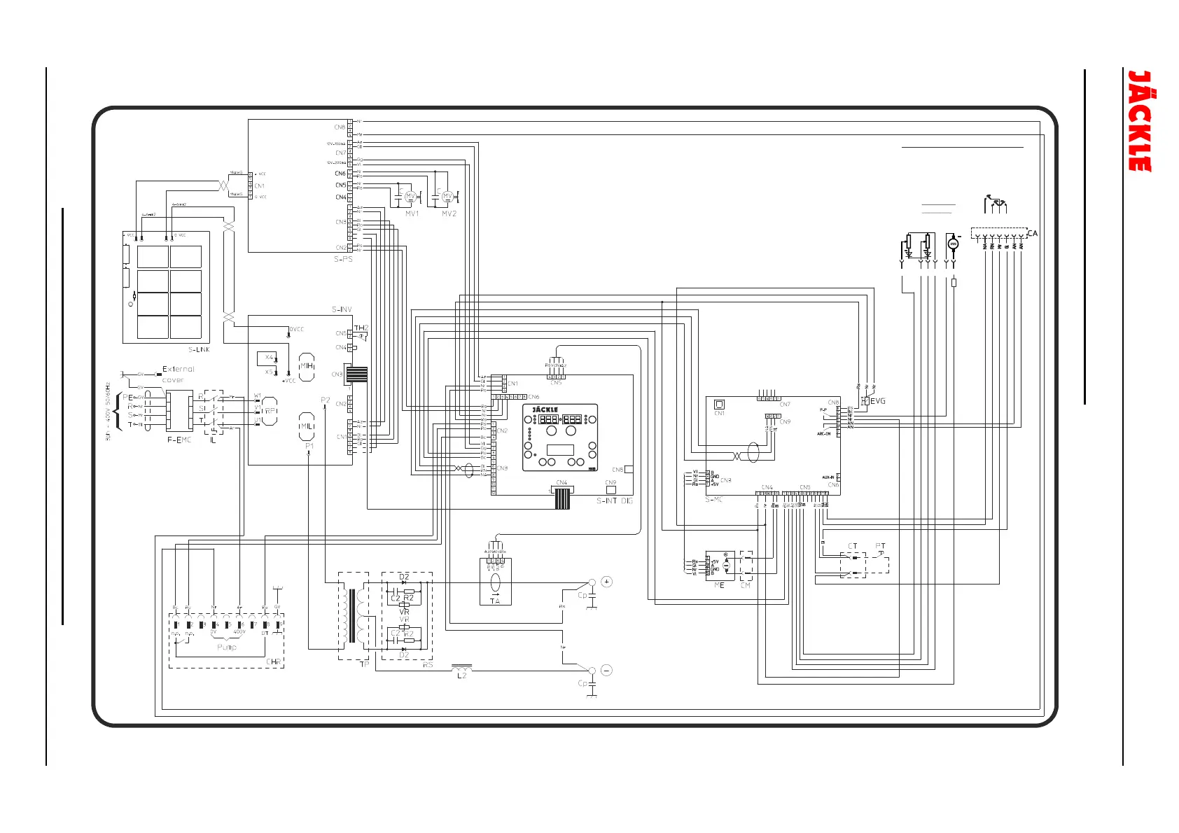
26. Schaltplan / circuit diagram
ProPuls
B
T
G
N
D
D
W
U
P
Strom fließt
ARC ON
Brenner Standard /
T
o
r
c
h
s
t
a
n
d
a
r
d
:
Buchse 7-polig / soc
k
e
t
7
-
p
o
l
e
Pin 1-2: Strom fließt Konta
k
t
/
A
R
C
o
n
c
o
n
t
a
c
t
Pin 3-4: Brennertaster / Tor
c
h
t
r
i
g
g
e
r
Pin 4-5: Down Taster / Dow
n
t
r
i
g
g
e
r
Pin 4-6: Up Taster / Up trig
g
e
r
1
234567
+
B
c
N
r
A
z
G
g
V
d
R
2
4
V
D
C
1
0
K
O
p
t
i
o
n
e
n
/
O
p
t
i
o
n
s
:
Push-
pull
Poti
Control
+
10K
+
Bl
Schaltplan Maschine– circuit diagram Power source

Table of Contents

Related product manuals