EasyManua.ls Logo

Jackle tecMIG 450 - Page 68

Jackle tecMIG 450
Print Icon
To Next Page IconTo Next Page
To Next Page IconTo Next Page
To Previous Page IconTo Previous Page
To Previous Page IconTo Previous Page
Loading...
tecMIG 450/600
Operating manual Page 66
K5
G5
A5
K6
G6
A6
K3
G3
A3
K4
G4
A4
K1
G1
A1
K2
G2
A2
pos.
neg.
pos.
neg.
pos.
neg.
VU W
A4
SGR2 AN.2
1
2
3+
GND
#
A7
3
2
1
X7
1
-
1
4
X2
1
-
1
0
X4
A5
1
-
1
4
X3
A6
MC - CHO
2
3
4
1
X11
6
7
8
5
1
0
1
1
1
2
9
1
X10
2
3
4
5
6
3
X5
2
1
1
X8
2
3
4
5
6
A3
MC - AREM
T 1A
FH3
5
4
3
2
1
Z
S
P
2
3
4
1
M
C
1
-
4
6
7
8
5
1
0
9
5
3
4
1
2
7
6
8
M
C
1
,
2
A
1
T
6
,
3
A
F
2
X
1
X
5
3
G
1
H
2
L
A
2
M
C
-
D
V
V
C1
B
r
e
n
n
e
r
+
C
2
2
3
4
1
X
3
6
7
8
5
1
0
1
1
1
2
9
E
A
1
U
1
V
1
W
2
U
E
2
W
K
2
K
1
G
1
K
3
G
3
K
4
G
4
K6
G6
K5
G5
G
2
A
2
V1
A
M
A
K
1
A
K
3
A
K
5
K
M
(
+
)
(
-
)
5
4
3
2
1
R1
T1
PE L1 L3L2
Q1
T
1
L
1
T
2
L
2
T
3
L
3
1
2
3
4
5
6
7
8
2
3
4
1
M
1
M
3
5
µ
F
M
1
M
2
1
µ
F
X
1
X
1
2
Y
1
S3
S2
T
2
4
0
0
V
2
3
0
V
0
V
4
2
V
0
V
F1
T
2
A
V
1
T
2
T
1
Y
2
Y
1
A
4
A
5
A
6
A
7
Q
1
L
1
M
1
M
2
M
3
S
1
R
1
S
3
A
8
2
V
A
E
3
V
/
A
3
V
/
E
H
1
,
H
2
H2 H1
A8
C
1
,
C
2
EMV / EMC Filter
L
i
n
e
I
n
L
i
n
e
O
u
t
2
3
4
1
6
7
5
F2
A
2
A
3
A
1
F
1
F
2
A
B
C
D
E
F
G
H
J
K
L
M
u
p
down
Y
2
S
c
h
w
e
i
ß
-
u
n
d
S
c
h
n
e
i
d
t
e
c
h
n
i
k
L
1
A
+
T
6
,
3
A
N
r
.
:
4
0
0
V
3
~
5
0
H
z
G
e
r
l
a
c
h
0
5
.
1
2
.
1
2
t
e
c
M
I
G
4
5
0
.
0
0
1
t
e
c
M
I
G
4
5
0
/
6
0
0
E
C
1
E
C
2
Ferrit
C2
PE
O
p
t
i
o
n
P
u
s
h
-
p
u
l
l
~
+
~
-
+
O
P
T
I
O
N
P
u
s
h
-
p
u
l
l
M
M
1
M2-1
(nur/only
tecMIG 600)
7
6
-
+
-
+
T
o
r
c
h
M
o
t
o
r
+
S
1
M
F
e
r
r
i
t
4
6
2
I
S
P
O
P
T
I
O
N
:
E
n
c
o
d
e
r
+
-
+
N
a
m
e
:
D
a
t
e
:
C
i
r
c
u
i
t
d
i
a
g
r
a
m
Workpiece
b
l
u
e
b
l
a
c
k
b
r
o
w
n
b
l
u
e
b
r
o
w
n
b
l
a
c
k
S
o
l
e
n
o
i
d
v
a
l
e
m
a
c
h
i
n
e
A
u
x
i
l
i
a
r
y
t
r
a
n
s
f
o
r
m
e
r
C
u
r
r
e
n
t
t
r
a
n
s
f
o
r
m
e
r
S
o
l
e
n
o
i
d
v
a
l
e
w
i
r
e
f
e
e
d
c
a
s
e
T
h
y
r
i
s
t
o
r
P
C
B
M
C
-
C
H
O
(
c
h
o
k
e
r
e
g
u
l
a
t
i
o
n
)
P
C
B
S
G
R
2
-
A
N
P
C
B
I
-
S
e
n
s
e
(
c
u
r
r
e
n
t
m
e
a
s
u
r
e
m
e
n
t
)
w
a
t
e
r
f
l
o
w
m
e
t
e
r
M
a
i
n
s
w
i
t
c
h
C
h
o
k
e
W
i
r
e
f
e
e
d
m
o
t
o
r
F
a
n
W
a
t
e
r
p
u
m
p
T
o
r
c
h
t
r
i
g
g
e
r
R
e
s
i
s
t
o
r
8
2
O
h
m
T
h
e
r
m
a
l
s
w
i
t
c
h
t
h
y
r
i
s
t
o
r
T
h
e
r
m
a
l
s
w
i
t
c
h
c
h
o
k
e
E
M
C
F
i
l
t
e
r
Torch
w
i
r
e
f
e
e
d
c
a
s
e
D
V
K
current flow
current flow
T-down
T-up
T-BT
+24V
+10V
U-voltage 1
U-voltage 2
GND
I-actual
U-actual
Remote control - options
FB socket 17-pole
T
o
r
c
h
-
h
o
s
e
-
p
a
c
k
C
o
n
t
r
o
l
l
a
m
p
m
a
i
n
c
a
p
a
c
i
t
o
r
0
,
1
µ
F
/
6
3
0
V
T
u
c
h
e
l
s
o
c
k
e
t
7
-
p
o
l
e
U
P
/
D
O
W
N
o
r
c
h
P
C
B
M
C
-
D
V
V
P
C
B
M
C
-
A
R
E
M
C
o
n
t
r
o
l
u
n
i
t
M
C
1
o
r
2
P
r
i
m
a
r
y
f
u
s
e
2
A
T
S
e
c
o
n
d
a
r
y
f
u
s
e
6
,
3
A
T
Mac
h
i
n
e
t
e
c
M
I
G
4
5
0
/
6
0
0
Flat cable
Flat cable
Flat cable
MIG
TIG
O
p
t
i
o
n
D
i
s
p
l
a
y
T
o
r
c
h
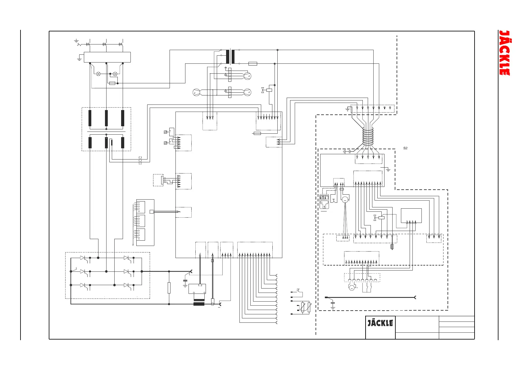
circuit diagram standard

Related product manuals