EasyManua.ls Logo

Jackle tecMIG 450 - Schaltpläne; Circuit Diagrams

Jackle tecMIG 450
Print Icon
To Next Page IconTo Next Page
To Next Page IconTo Next Page
To Previous Page IconTo Previous Page
To Previous Page IconTo Previous Page
Loading...
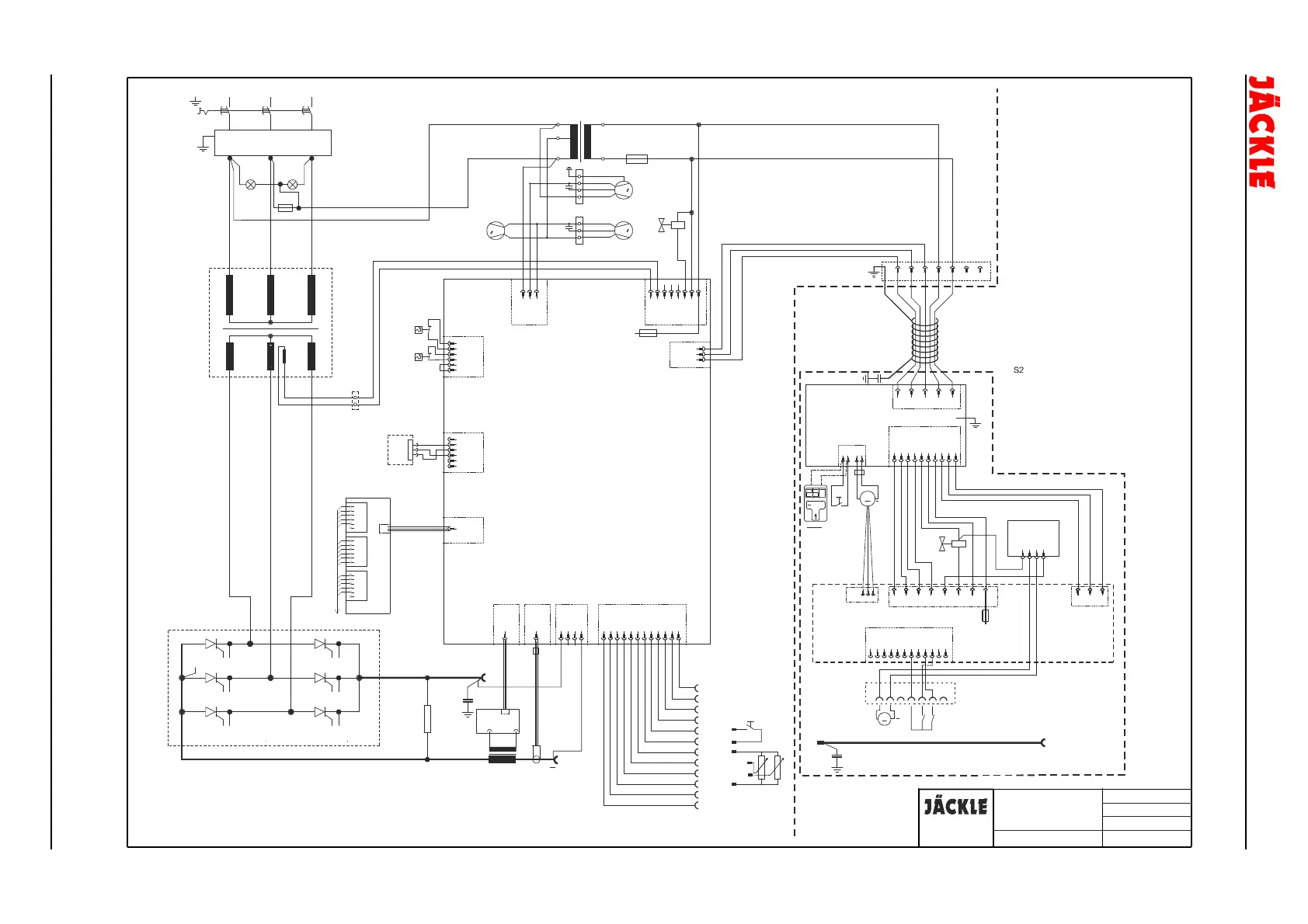
tecMIG 450/600
Operating manual Page 65
40. Schaltpläne / circuit diagrams
K
5
G
5
A
5
K
6
G
6
A
6
K
3
G
3
A
3
K
4
G
4
A
4
K
1
G
1
A
1
K
2
G
2
A
2
pos.
neg.
pos.
neg.
pos.
neg.
VU W
A4
SGR2 AN.2
1
2
3+
GND
#
A7
3 2 1
X7
1-14
X2
1-10
X4
A5
1-14
X3
A6
MC - CHO
2 3 41
X11
6
7
8
5
1
0
1
1
1
2
9
1
X10
2
3
4
5
6
3
X5
2
1
1
X8
2
3
4
5
6
A3
MC - AREM
T 1A
FH3
5
4
3
2
1
Z
S
P
2
3
4
1
M
C
1
-
4
6
7
8
5
1
0
9
5
3
4
1
2
7
6
8
M
C
1
,
2
A
1
T
6
,
3
A
F
2
X
1
X
5
3
G
1
H
2
L
A
2
M
C
-
D
V
V
C1
B
r
e
n
n
e
r
+
C
2
2
3
4
1
X
3
6
7
8
5
1
0
1
1
1
2
9
E
A
1U 1V 1W
2U
E
2W
K
2
K
1
G
1
K
3
G
3
K
4
G
4
K6
G6
K5
G5
G
2
A
2
V1
AM
AK1
AK3
AK5
KM
(+)
(-)
5
4
3
2
1
R1
T1
PE L1 L3L2
Q1
T1
L1
T2
L2
T3
L3
1
2
3
4
5
6
7
8
2
3
4
1
M
1
M
3
5
µ
F
M
1
M
2
1
µ
F
X
1
X
1
2
Y
1
S3
S2
T
2
400
V
230
V
0
V
4
2
V
0
V
F1
T 2 A
V
1
T
2
T
1
Y
2
Y
1
A
4
A
5
A
6
A
7
Q
1
L
1
M
1
M
2
M
3
S
1
R
1
S
3
A
8
2V
A
E
3V/A
3V/E
H
1
,
H
2
H2 H1
A8
C
1
,
C
2
EMV / EMC Filter
Line In
Line Out
2
3
4
1
6
7
5
F2
A
2
A
3
A
1
F
1
F
2
A
B
C
D
E
F
G
H
J
K
L
M
u
p
down
Y
2
S
c
h
w
e
i
ß
-
u
n
d
S
c
h
n
e
i
d
t
e
c
h
n
i
k
L
1
A
+
T
6
,
3
A
N
r
.
:
4
0
0
V
3
~
5
0
H
z
G
e
r
l
a
c
h
0
5
.
1
2
.
1
2
t
e
c
M
I
G
4
5
0
.
0
0
1
t
e
c
M
I
G
4
5
0
/
6
0
0
E
C
1
E
C
2
Ferrit
C2
PE
O
p
t
i
o
n
P
u
s
h
-
p
u
l
l
~
+
~
-
+
O
P
T
I
O
N
P
u
s
h
-
p
u
l
l
M
M
1
M2-1
(nur/only
tecMIG 600)
76
-
+
-
+
T
o
r
c
h
M
o
t
o
r
+
S
1
M
F
e
r
r
i
t
4
6
2
I
S
P
O
P
T
I
O
N
:
E
n
c
o
d
e
r
+
-
+
N
a
m
e
:
D
a
t
u
m
:
S
t
r
o
m
l
a
u
f
p
l
a
n
Werkstück
b
l
a
u
s
c
h
w
.
b
r
a
u
n
b
l
a
u
b
r
a
u
n
s
c
h
w
.
M
a
g
n
e
t
v
e
n
t
i
l
S
t
e
u
e
r
t
r
a
f
o
S
c
h
w
e
i
ß
t
r
a
f
o
i
m
K
o
f
f
e
r
i
m
G
e
r
ä
t
M
a
g
n
e
t
v
e
n
t
i
l
T
h
y
r
i
s
t
o
r
s
a
t
z
P
l
a
t
i
n
e
M
C
-
C
H
O
(
D
r
o
s
s
e
l
r
e
g
e
l
u
n
g
)
P
l
a
t
i
n
e
S
G
R
2
-
A
N
P
l
a
t
i
n
e
I
-
S
e
n
s
e
(
S
t
r
o
m
m
e
s
s
u
n
g
)
D
u
r
c
h
f
l
u
ß
m
e
s
s
e
r
K
ü
h
l
w
a
s
s
e
r
N
e
t
z
s
c
h
a
l
t
e
r
D
r
o
s
s
e
l
D
r
a
h
t
v
o
r
s
c
h
u
b
m
o
t
o
r
V
e
n
t
i
l
a
t
o
r
W
a
s
s
e
r
p
u
m
p
e
B
r
e
n
n
e
r
t
a
s
t
e
r
W
i
d
e
r
s
t
a
n
d
8
2
O
h
m
T
h
e
r
m
o
s
c
h
a
l
t
e
r
T
h
y
r
i
s
t
o
r
T
h
e
r
m
o
s
c
h
a
l
t
e
r
D
r
o
s
s
e
l
E
M
V
F
i
l
t
e
r
Brenner
D
r
a
h
t
v
o
r
s
c
h
u
b
k
o
f
f
e
r
D
V
K
Strom fließt
Strom fließt
T-down
T-up
T-BT
+24V
+10V
U-Leitspg. 1
U-Leitspg. 2
GND
I-Ist
U-Ist
Fernbedienungs - Optionen
FB Dose 17-polig
Z
w
i
s
c
h
e
n
-
s
c
h
l
a
u
c
h
-
p
a
k
e
t
K
o
n
t
r
o
l
l
l
e
u
c
h
t
e
N
e
t
z
K
o
n
d
e
n
s
a
t
o
r
0
,
1
µ
F
/
6
3
0
V
T
u
c
h
e
l
d
o
s
e
7
-
p
o
l
i
g
U
P
/
D
O
W
N
r
e
n
n
e
r
P
l
a
t
i
n
e
M
C
-
D
V
V
P
l
a
t
i
n
e
M
C
-
A
R
E
M
S
t
e
u
e
r
b
o
x
M
C
1
o
d
e
r
2
P
r
i
m
ä
r
s
i
c
h
e
r
u
n
g
2
A
T
S
e
k
u
n
d
ä
r
s
i
c
h
e
r
u
n
g
6
,
3
A
T
Stro
m
q
u
e
l
l
e
t
e
c
M
I
G
4
5
0
/
6
0
0
Flachband
Flachband
Flachband
MIG
WIG
O
p
t
i
o
n
D
i
s
p
l
a
y
B
r
e
n
n
e
r
Schaltplan Standard

Related product manuals