EasyManua.ls Logo

Jacobsen HR 5111

Jacobsen HR 5111
150 pages
To Next Page IconTo Next Page
To Next Page IconTo Next Page
To Previous Page IconTo Previous Page
To Previous Page IconTo Previous Page
Loading...
110
Serious injury or death can result from blade contact
or from objects being thrown very long distances
Do not operate machine with discharge chute or guards flipped up or removed.
Do not operate machine with bent components or with implement
in raised position.
Keep yourself and others away from the mower when in operation
1.0
2.0
3.0
4.0
5.0
1.0
3.0
5.0
1.5
2.5
3.5
4.5
2.5
4.5
5.5
1.0
1.5
2.0
2.5
3.0
3.5
4.0
4.5
5.0
5.5
A
B
"X"
"X"
0
1
2
3
4
0
1
2
3
4
A
A
A
A
A
B
B
B
B
B
DANGER
HR-5111
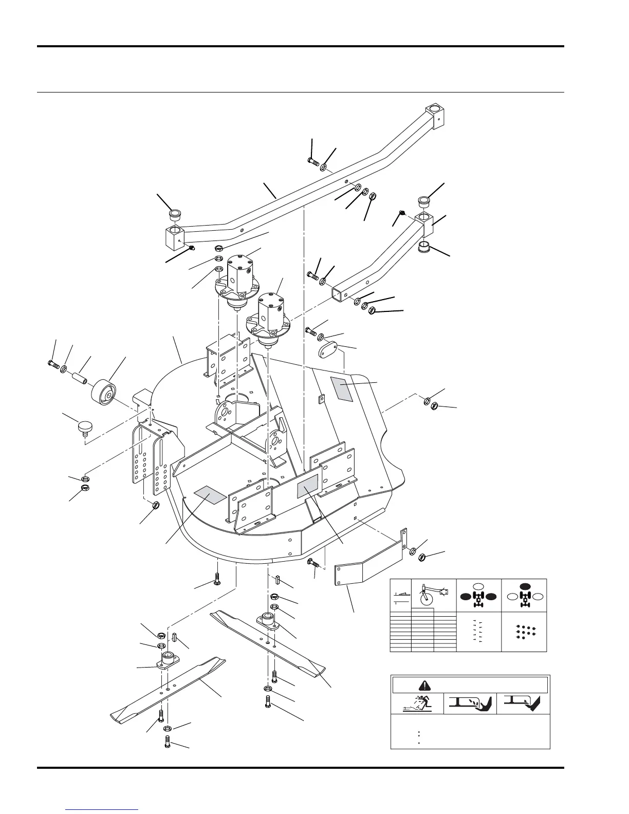
48.1 Wing Deck
Left Wing Deck Shown (Right Opposite)
Serial No. 69116-6707 and Up
Serial No. 69158-1719 and Up
1 / 2
3
4
5
6
7
8
9
10
11
12
13
14
15
16
17
18
19
20
21
22
23
24
15
3
4
11
12
13
16
15
26
27
28
29
30
31
32
25
15
16
14
17
3
13
13
33
34
35
36
37
38
39
40
40
39
38
37
38
38
36
16

Table of Contents

Other manuals for Jacobsen HR 5111

Related product manuals