EasyManua.ls Logo

Jacobsen HR 5111

Jacobsen HR 5111
150 pages
To Next Page IconTo Next Page
To Next Page IconTo Next Page
To Previous Page IconTo Previous Page
To Previous Page IconTo Previous Page
Loading...
72
2
3
5
5
5
5
6
6
6
6
6
6
6
7
7
7
7
8
9
10
12
12
11
11
13
14
16
16
18
18
19
19
20
20
21
21
22
22
23
4
17
17
15
1
1
HR-5111
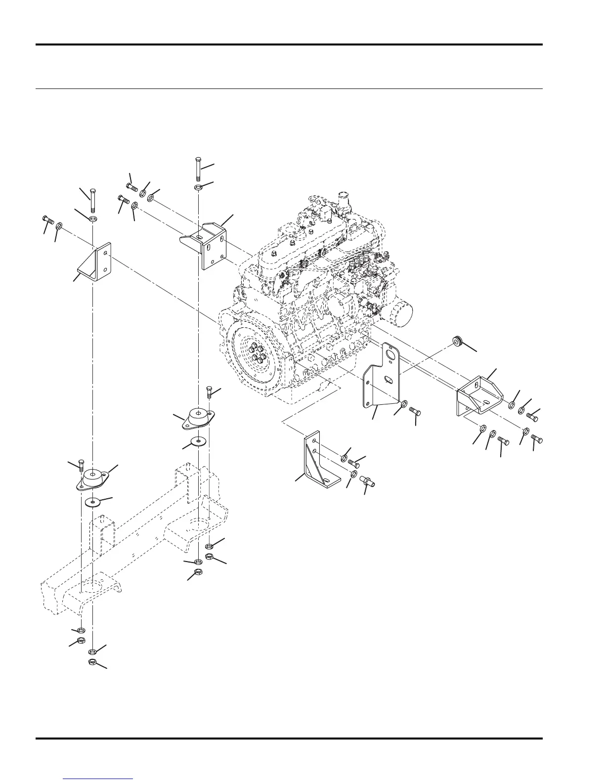
22.1 Engine Mounts
Serial No. 69116-6707 and Up
Serial No. 69158-1719 and Up

Table of Contents

Other manuals for Jacobsen HR 5111

Related product manuals