EasyManua.ls Logo

Jacobsen HR 5111

Jacobsen HR 5111
150 pages
To Next Page IconTo Next Page
To Next Page IconTo Next Page
To Previous Page IconTo Previous Page
To Previous Page IconTo Previous Page
Loading...
76
I
M
P
O
R
T
A
N
T
D
I
E
S
E
L
F
U
E
L
O
N
L
Y
HR-5111
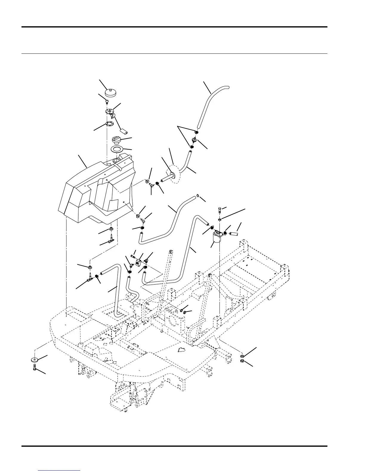
25.1 Fuel Tank
Serial No. 69116-6707 and Up
Serial No. 69158-1719 and Up
To Engine Return
To Engine
33
2
3
4
5
6
7
8
9
10
11
12
13
14
15
16
17
18
19
20
21
22
23
24
26
27
28
29
30
31
25
Part of
Hood
5
5
5
16
21
21
21
21
21
21
21
29
32
1

Table of Contents

Other manuals for Jacobsen HR 5111

Related product manuals