EasyManua.ls Logo

Jacobsen HR 5111

Jacobsen HR 5111
150 pages
To Next Page IconTo Next Page
To Next Page IconTo Next Page
To Previous Page IconTo Previous Page
To Previous Page IconTo Previous Page
Loading...
136
M1
B1
BS
CB7
CB6 CB4
CB3
CB1
CB2
CB5
30
85 86
87
K4
SW4
K3
K2
Bk
Bk
Bk
Bk
Bk
BnRd/Bn
Rd/Bn
Bn
Ye
Ye Ye
Wh
Wh/Bn
Wh/Bn
Pu/Ye
Pu/Wh Pu/Wh
Gn/Wh Gn/Wh
Gn/Wh
Gn/WhGn/Wh
Pu/Wh
Pk/Bu
Pk/Bu
Pu/Ye
Rd
Rd
Pk/Bu
Pk/Bu
Og/Bu
Wh/RdWh/Rd
Wh/Rd Rd
RdRd
Rd
Rd
Rd
Rd
Rd
Rd
Bn
Bn
Rd/Wh
Bk
Bk
Bk
Bk
Bk
Pk
Pk
Pk
Pk
Pk
Tn
Pk
Og Og
Og
Og Og Og
Og
Og
LG LG
Ye
Wh Wh
Wh
WhWh
Gy
Bn/RdBn/Rd
Bn/Rd
LB
Tn
Tn
Wh/Bk
Wh/Bk
Rd/Wh
Rd/Wh
Rd/Ye
Rd/LB
Rd/Wh
Rd/Wh
Rd/Bu
Rd/Bu
SW3
SW8
SW9
SW10
L2
R1
K1
U1
K17
Og Og
H
1-A
1-B
1-C
1-D
1-E
1-F
1-G
1-H
1-J
1-K
1-R
1-S
1-T
1-U
1-X
1-V
2-B
2-C
2-F
4-4
4-8
2-T
Bn/Rd
Og/Bn
SW2
2-U
P
B
IG
G
Bk
30
85 86
87
30
85 86
87
30
85 86
87
WhPu
WhWhWh
Wh
Rd
Rd
Pk
Pk
K10
K13
SW24
SW7
SW6
Bk
K12
K11
K9
K8
Pk
C
NO
NC
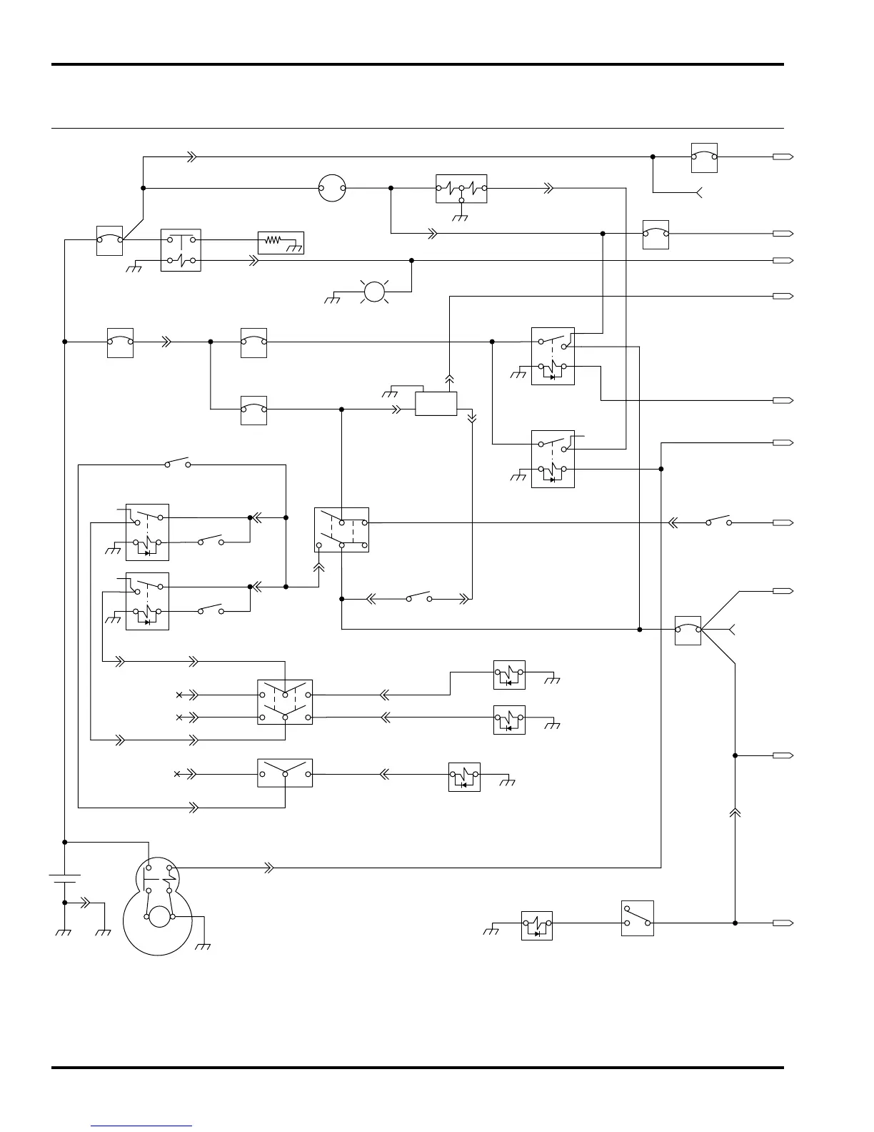
HR-5111
67.1 Electrical Schematic
Serial No. 69116-6707 and Up
Serial No. 69158-1719 and Up
Wire Color Abbreviations
Bk - Black
Bn - Brown
Bu - Blue
Gn - Green
Gy - Gray
LB - Light Blue
LG - Light Green
Og - Orange
Pk - Pink
Pu - Purple
Rd - Red
Tn - Tan
Wh - White
Ye - Yellow

Table of Contents

Other manuals for Jacobsen HR 5111

Related product manuals