EasyManua.ls Logo

Jacobsen HR 5111

Jacobsen HR 5111
150 pages
To Next Page IconTo Next Page
To Next Page IconTo Next Page
To Previous Page IconTo Previous Page
To Previous Page IconTo Previous Page
Loading...
137
30
8586
87
87A
Pu/WhPu/Wh
Gn/Wh GnGn/Wh
Bn/RdBn/Rd Bn/Rd
Pk/BuPk/BuPk/Bu
Ye YeYeYe
Pu/Wh
SW5
SW18
B
I
X
Y
S
A
Off - None
On - B+I+A; X+Y
Start - B+I+S
SW1
Bk Tn/Rd
Og/BuOg/Bu
Og/Bu
Tn/Rd Ye
Wh
Wh
Gy Gy
Tn/Rd
L11
Bk
Bk
Bk
Bk
LB
LG
L10
L12
L13
OgOgOg
Og
Og
Og
Og
Og
Og
Og
Og
Og
Og
Og
L3
L4
L1
L5
L6
L7
L8
L9
1-L
1-N
1-P
1-W
2-A
Bu/Wh
Bu/Wh Wh/Bk
Wh/Bk
Wh/Bk
Wh/Bk
Wh/Bk
Wh/Bk
2-D
2-G
3-1
3-2
3-3
3-4
3-5
3-6
3-7
3-8
4-1
4-2
4-3
4-5
4-6
4-7
2-H
2-J
2-K
2-M
2-P
2-R
2-S
Bn/Rd
2-V
2-W
2-L
2-N
2-X
30
85 86
87
30
8586
87
K7
K16
K5
K6
SW22
SW19
SW21
SW23
D8
D2
D1
D7
D6
D5
D4
D3
K15
K14
Wh/Gn
Wh/Gn
Wh/Gn
Wh
Wh
WhWh
Wh
Wh/Gn
Wh/Gn
Wh/Gn
Wh/Rd
Wh/Rd
Wh
Rd Rd
Pk
Pk
LB/Rd
LB/RdLB/Rd
Gy/Rd
Gy/Rd Gy/RdGy/Rd
Gy/Rd
Bu Bu
PuPu
Pu Pu
Gn Gn
Gy/Bk Gy/Bk
Gy/Bk
Gy/Bk
U11
U4
U5
U3
U7
U8
U2
Bk Bk
Bk
Tn
+
-
Og
I
G
I
G
S
U6
U10
Bk
Bk
U9
Bk
Bn
I
G
S
Bk
Bk
Bk
Bk
Bk
Bk
Bk
Bk
Bk
Bk
Bk
LG
LGLG
I
G
S
Tn
Tn
Gn/Wh
Gn/Wh
Gn/Wh
1-M
Gn
Gn
Bu
Bu
Gn
Gy/Wh
Gy/Wh
Pk
SW15
SW17
SW14
SW12
SW11
SW20
SW16
SW13
+
-
A
B
A
B
C
1
2
3
4
1
2
3
4
5
6
7
8
5
6
7
8
C
DD
EE
FF
GG
H
H
JJ
KK
LL
MM
NN
PP
RR
SS
TT
UU
VV
WW
XX
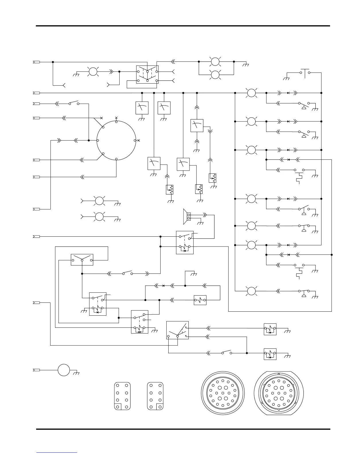
HR-5111
Console Harness
Engine Harness
Tractor Harness
Harness Connectors 1 and 2
Harness Connectors 3 and 4
Ignition Harness
Console Harness
Optional Cab Harness

Table of Contents

Other manuals for Jacobsen HR 5111

Related product manuals