EasyManua.ls Logo

Jacobsen HR 5111

Jacobsen HR 5111
150 pages
To Next Page IconTo Next Page
To Next Page IconTo Next Page
To Previous Page IconTo Previous Page
To Previous Page IconTo Previous Page
Loading...
140
3500 PSI
3500 PSI
1.04 1.04 1.04 0.66
in
3
2.48
in
3
in
3
in
3
in
3
430 PSI
3000 PSI
BT
AP
D
430 PSI
3000 PSI
BT
AP
D
430 PSI
3000 PSI
BT
AP
D
.0669
1.04
in
3
.0669
1.04
in
3
.0669
1.04
in
3
.0669
1.04
in
3
.0669
1.04
in
3
.0669
1.04
in
3
.0669
1.04
in
3
2.48
in
3
25 psi
Switch
25 psi
Crack
Bypass
10 Micron
25 psi
Switch
25 psi
Crack
Bypass
10 Micron
100 Mesh
Front Deck
Valve
Left Wing
Deck Valve
Right Wing
Deck Valve
Traction
Pump
Front Axle
Motor
Oil
Cooler
Return
Filter
Charge
Filter
Four Section
Gear Pump
2800 RPM
CCW Rotation
Inside
Left Wing
Motor
Outside
Left Wing
Motor
Inside
Right Wing
Motor
Outside
Right Wing
Motor
Left
Front
Motor
Center
Front
Motor
Right
Front
Motor
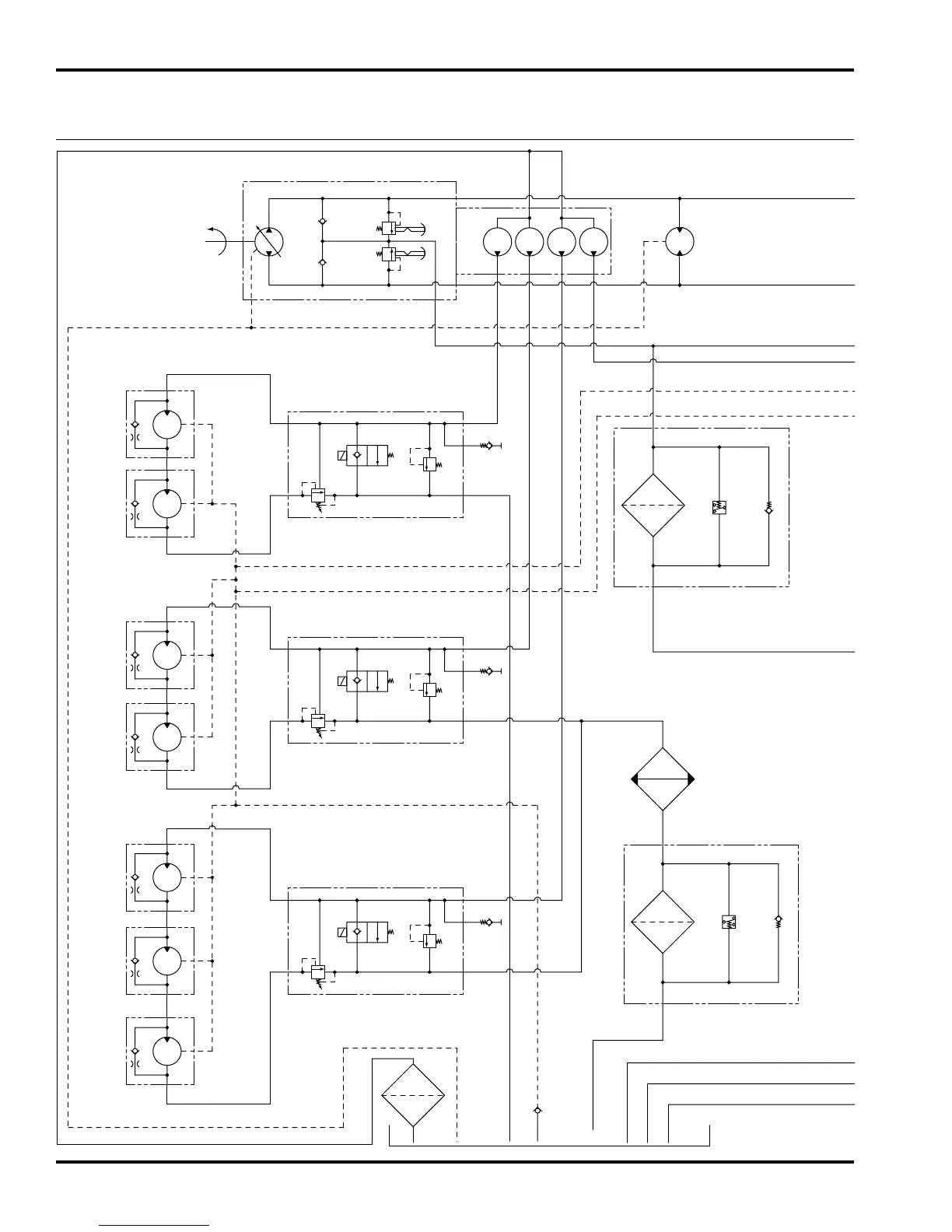
HR-5111
68.1 Hydraulic Schematic
Serial No. 69116-6707 and Up
Serial No. 69158-1719 and Up
A
B
C
D
F
E
G
H
I
J

Table of Contents

Other manuals for Jacobsen HR 5111

Related product manuals