EasyManua.ls Logo

Jacobsen HR 5111

Jacobsen HR 5111
150 pages
To Next Page IconTo Next Page
To Next Page IconTo Next Page
To Previous Page IconTo Previous Page
To Previous Page IconTo Previous Page
Loading...
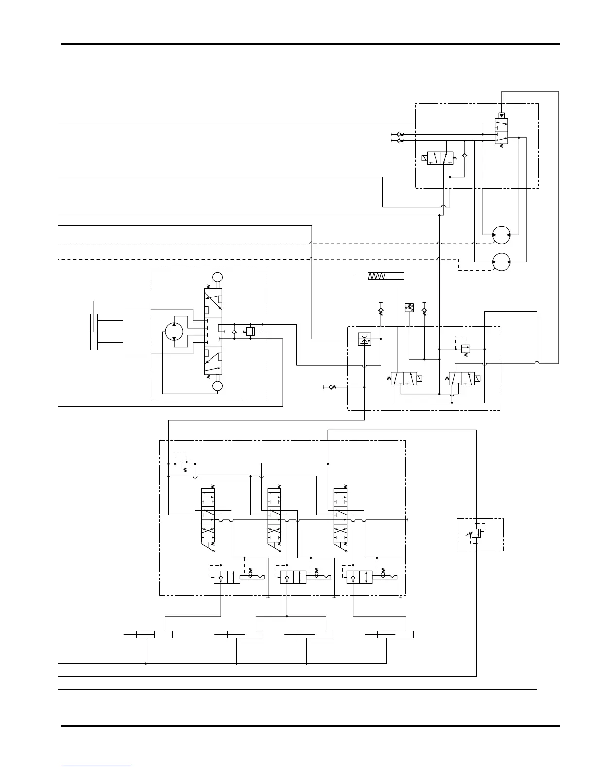
141
C
A
AD
AB
BL2R2
4WD
L1R1
11.9
in
3
11.9
in
3
250 PSI
SD
ST
LD
P
L
4WD
DL SW CP F T
1450 PSI
6.6
in
3
IN
OUT
LT
RT
IN OUT
ABCDEF
1500 PSI
300 PSI 300 PSI 300 PSI
50 PSI
4WD
Valve
Control
Valve
Differential Lock
Cylinder
Steering
Valve
Steering
Cylinder
Lift
Valve
Backpressure
Valve
Left Wing
Cylinder
Front Right
Cylinder
Front Left
Cylinder
Right Wing
Cylinder
Left
Motor
Right
Motor
HR-5111
A
B
C
D
F
E
G
H
I
J

Table of Contents

Other manuals for Jacobsen HR 5111

Related product manuals