EasyManua.ls Logo

JBI Alpha-Doc Mk4 - Page 36

JBI Alpha-Doc Mk4
45 pages
Print Icon
To Next Page IconTo Next Page
To Next Page IconTo Next Page
To Previous Page IconTo Previous Page
To Previous Page IconTo Previous Page
Loading...
1 2 3 4 5 6 7 8 9 10 11 12 13 14 15 16 17 18 19 20
FOLIO
04
DESSINE PAR: JH
Alphadoc M4
Affaire N°0211AL-0A
JAMES BURN International
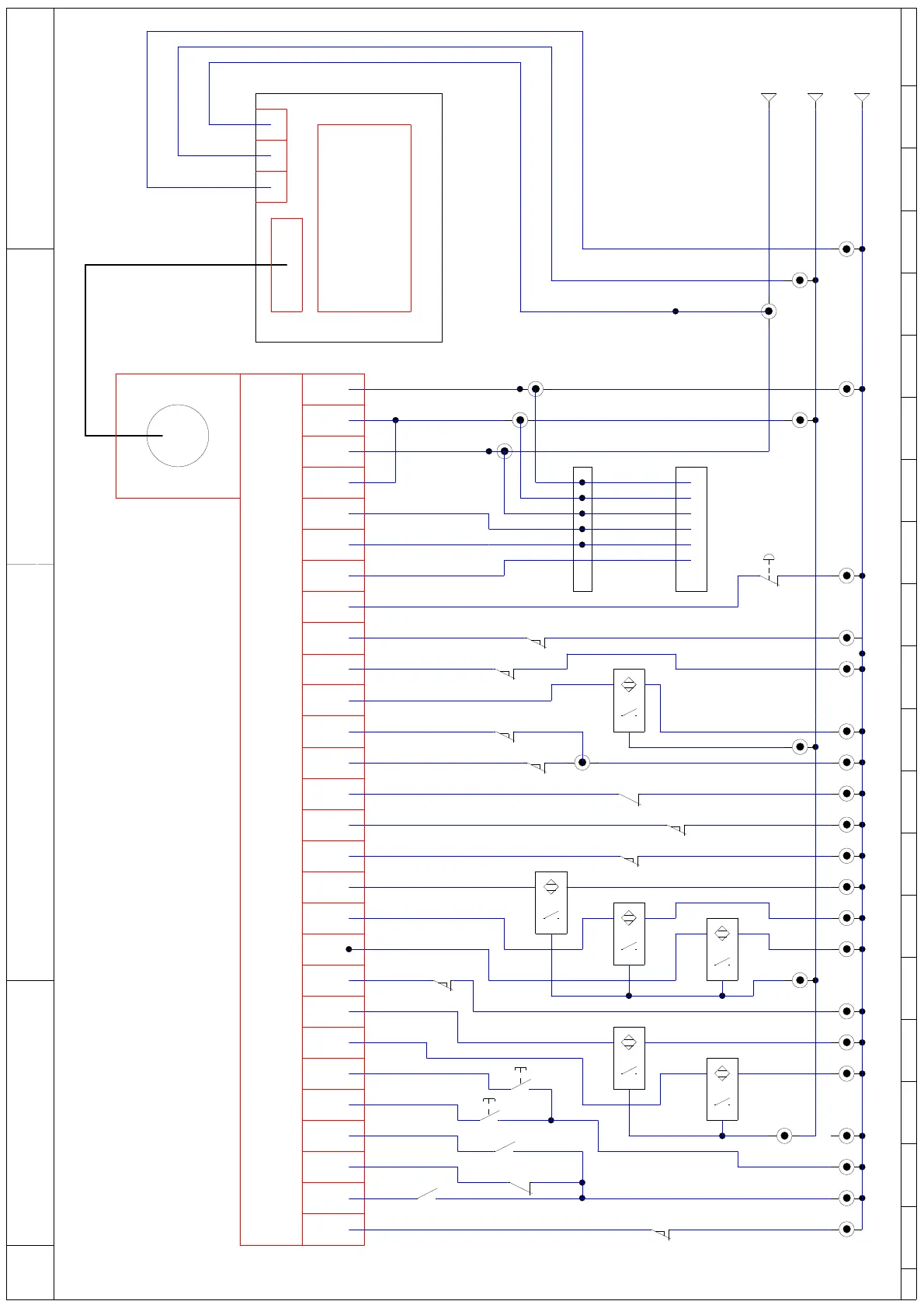
PLC FX3G MT-DSS 24VDC
Entrées (Input)
+24V
-0V
PE
S/S
X0
X1
X2
X3
X4
X5
X6
X7
X10
X11
X12
X13
X14
X15
X16
X17
X20
X21
X22
X23
X24
X25
X26
X27
RS422
PLC : FX3G-40MT-DSS24Vcc (PNP) PLC1 INPUT (Entrées)
T01
Ecran
(screen)
JE29079
CAB1
PE - +
F09
F09
PE
F01-1
CO1
CWF6 / CWM6
.
X6
(SC1)
Codeur (encoder)
COD
SB4
XB2
ZB1
ZB1
ZB2
XB3
XB4
XB6
XB7
XB8
XB9
XB10
XB11
XB12
XB13
XB14
XB15
XB16
XB17
XB18
XB20
ZB3
XB1
XB22
XB23
XB24
XB21
AU1
X3
SB1
SB2
XB5
SB3
SB5
SB6
X14
(SC2)
SC2
X15
(SC3)
SC3
X16
(SC4)
SC4
ZB4
SB7
SC5
X20
(SC5)
SC6
X21
(SC6)
ZB5
BP1
BP2
X24
XB19
RS1
X27
KM1
KM2
PE
D-
D-
C+C+
C+
C+
PE
Brun
Jaune Jaune
Brown
Vert
Blue
Vert
Voie A
Blanc
Marron
Gris
Gris
Top zero
Vert/jaune Masse
Cable: CAB1: JE29080 + JE29081
X10: Lateral switch Init
X6: Cell Init Feeder
Black
AWG20 bleue(blue)
X5: Point bas Feeder
X4: Point haut Feeder
X7: Foot stop switch Init
X13: Reception bottom switch
X12: Reception High switch
X15: Reception cell
X14: Jam Entry
AWG20 V/j(Green/yellow)
X16: Jam Exit
X17: Reception Full
X20: Jam reception
X21: Confetti Box
D-
X23: Stop button
C+
X22: Start Button
X25: KM1
X24: Inverter fault
X26:RS1
Blanc
X27: Head Stop switch init
Voie B
X11: KM2
X3: Arrêt urgence (Emergency Stop)
131211
X13: Reception bottom switch
SB6
X14
(SC2)
X22
X21
SC2
X15
(SC3)
X20
X17
X16
SC3
X16
(SC4)
X15
X14
X13
SC4
X12
X11
X10
X7
X6
X5
X4
X3
X2
X1
X0
S/S
PE
-0V
+24V
PLC FX3G MT-DSS 24VDC
Entrées (Input)
JAMES BURN International
Alphadoc M4
Affaire N°0211AL-0A
DESSINE PAR: JH
FOLIO
04
20
C+
1918
PE
17
D-
1615
X23
CO1
PE
ZB4
+ -PE
CAB1
Ecran
(screen)
T01
INPUT (Entrées)PLC : FX3G-40MT-DSS24Vcc (PNP) PLC1
RS422
X27
X26
X25
X24
1
CWF6 / CWM6
SB7
COD
Codeur (encoder)
X6
(SC1)
.
X14: Jam Entry
X15: Reception cell
X16: Jam Exit
X17: Reception Full
SC5
X20
(SC5)
SC6
X21
(SC6)
AWG20 V/j(Green/yellow)
ZB1
XB2
SB4
ZB5
F01-1
F09
F09
PE
ZB1
BlueBlue
Black
Black
Black
Black
Black
BlueBlue
Blue
Brown
Brown
Brown
Brown
Brown
XB9
XB8
XB7
XB6
XB4
XB3
ZB2
XB10
XB14
XB13
BP1
XB12
XB11
BP2
Voie B
Blanc
X24
SB1
Blanc
Voie A
Top zero
X3
Cable: CAB1: JE29080 + JE29081
MasseVert/jaune
AU1
X10: Lateral switch Init
XB21
XB24
XB23
XB22
XB1
ZB3
XB20
XB18
XB17
XB16
XB15
SB2
JauneJaune
Brun
X3: Arrêt urgence (Emergency Stop)
Marron
2
XB19
C+
3
XB5
4
C+
5 6 7 8
Vert
AWG20 bleue(blue)
Vert
Blue
Gris
Black
X6: Cell Init Feeder
Gris
X20: Jam reception
X21: Confetti Box
X22: Start Button
X23: Stop button
X24: Inverter fault
X25: KM1
JE29079
X5: Point bas Feeder
RS1
X4: Point haut Feeder
Brown
X26:RS1
C+
C+
C+
D-
D-
9
C+
10
X27: Head Stop switch init
X27
C+
SB5
X12: Reception High switch
D-
D-
KM1
14
KM2
SB3
X7: Foot stop switch Init
X11: KM2
DATE: 15/09/2011

Related product manuals