EasyManua.ls Logo

JBI Alpha-Doc Mk4 - Page 40

JBI Alpha-Doc Mk4
45 pages
Print Icon
To Next Page IconTo Next Page
To Next Page IconTo Next Page
To Previous Page IconTo Previous Page
To Previous Page IconTo Previous Page
Loading...
1 2 3 4 5 6 7 8 9 10 11 12 13 14 15 16 17 18 19 20
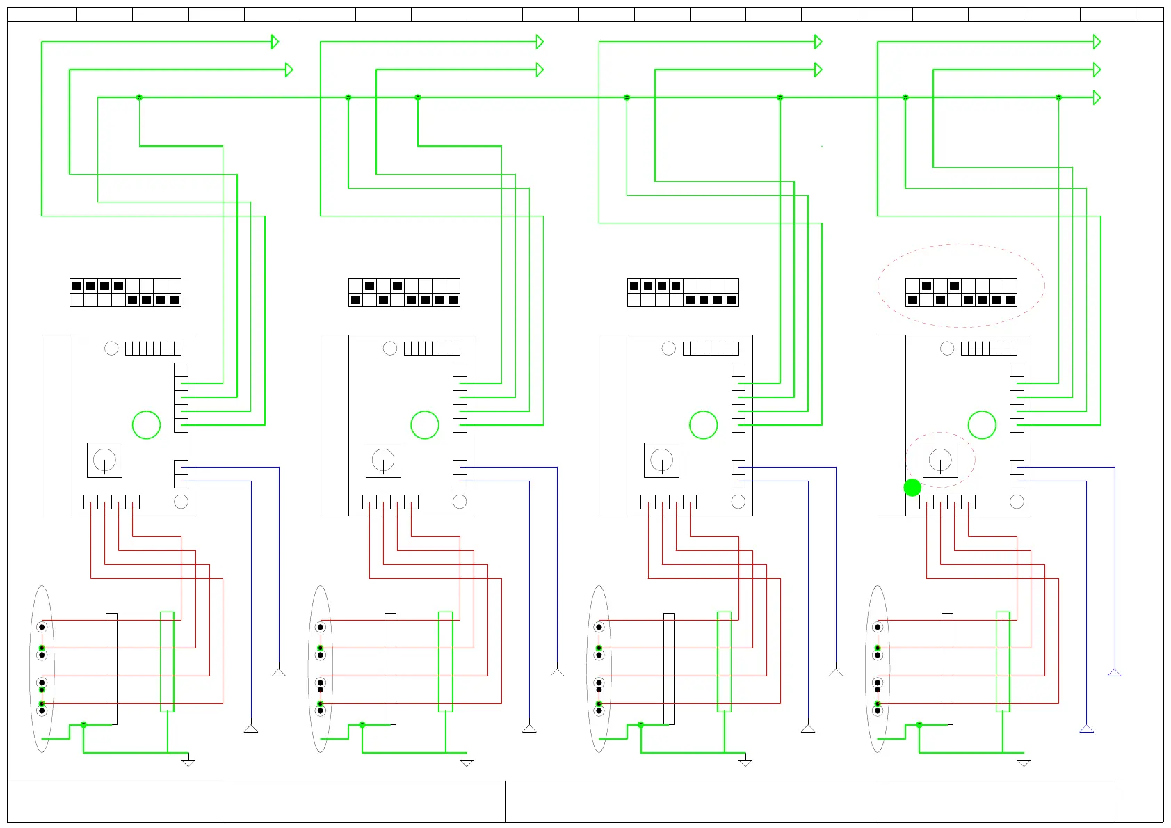
Cartes Sanyo 2A 24Vcc: S1-S2-S3-S4
Cards Sanyo 2A 24Vdc
JH
07
JAMES BURN international
DATE:
DESSINE PAR: FOLIO
F05-08
F09
F05-07F05-04
F05-05
F05-07
F05-10
M1
Moteur pas à pas
Step motor
Réception
(reception)
S1
F09
F09
CWM4/CWF4
PE
Carte Sanyo:JE29065
CN2
CN1
CN3
0
ON
OFF
ACD1
ACD2
EORG
EX1
EX2
EX3
F/R
LV
1
1
DSW1
1
DSW1
M2
Moteur pas à pas
Step motor
Lateral
(Lateral )
S2
F09
F09
CWM4/CWF4
PE1
Carte Sanyo:JE29065
CN2
CN1
CN3
0
ON
OFF
ACD1
ACD2
EORG
EX1
EX2
EX3
F/R
LV
1
1
DSW1
1
DSW1
M3
Moteur pas à pas
Step motor
Pied
(foot)
S3
F09
F09
CWM4/CWF4
PE2
Carte Sanyo:JE29065
CN2
CN1
CN3
0
ON
OFF
ACD1
ACD2
EORG
EX1
EX2
EX3
F/R
LV
1
1
DSW1
1
DSW1
M4
Moteur pas à pas
Step motor
Margeur
(Feeder)
S4
F09
F09
CWM4/CWF4
PE3
Carte Sanyo:JE29065
CN2
CN1
CN3
0
ON
OFF
ACD1
ACD2
EORG
EX1
EX2
EX3
F/R
LV
1
1
DSW1
1
DSW1
F05-09 F05-10
PE
PE
PE
PE
A
B
C
400(-) 400(-)400(-)400(-)400(-)400(-)400(-)
bleu marron
Marron
Blanc(white)
Y6
orange vert
Vert
Jaune(yellow)
CS+
Y11
S=0,5mm² blue
DS-
jaune blanc
Blanc(white)
Y2
Jaune(yellow)
rouge jaune
Y3
orange vert
bleu marron
Blanc (white)
Y5
orange vert
Blanc (white)
DS-
Y7
CS+
rouge blanc
Jaune (yellow)
jaune jaune
bleu marron
Marron(brown)
orange vert
Vert(green)
DS-
CS+
Marron(brown)
jaune blanc
Vert(green)
rouge jaune
Jaune (yellow)
bleu marron
Y12
rouge blanc
Y10
Blanc
Jaune
jaune jaune
DS-
CS+
1
LV
F/R
EX3
EX2
Blanc(white)
EX1
EORG
ACD2
Y2
ACD1
ON
OFF
0
CN3
CN1
CN2
Carte Sanyo:JE29065
PE2
Jaune(yellow)
CWM4/CWF4
F09
F09
Y3
Pied
(foot)
Moteur pas à pas
Step motor
M3
DSW1
1
DSW1
1
Blanc (white)
1
LV
F/R
Y5
EX3
EX2
EX1
EORG
ACD2
ACD1
ON
OFF
0
Blanc (white)
CN3
CN1
CN2
Y7
Carte Sanyo:JE29065
PE1
CWM4/CWF4
F09
F09
Lateral
(Lateral )
Moteur pas à pas
Step motor
Jaune (yellow)
M2
DSW1
1
400(-)
DSW1
1
400(-)
1
LV
F/R
400(-)
EX3
EX2
400(-)
EX1
EORG
400(-)
ACD2
ACD1
400(-)
ON
OFF
0
400(-)
CN3
CN1
CN2
Carte Sanyo:JE29065
PE
Marron(brown)
CWM4/CWF4
F09
F09
Réception
(reception)
Moteur pas à pas
Step motor
M1
F05-10
F05-07
Vert(green)
F05-05
F05-04 F05-07 F05-08
FOLIODESSINE PAR:
DATE:
JAMES BURN international
Marron(brown)
07
JH
Cartes Sanyo 2A 24Vcc: S1-S2-S3-S4
Cards Sanyo 2A 24Vdc
2019181716
Vert(green)
151413121110987
Jaune (yellow)
65432
bleu marron
1
orange vert
rouge blanc
jaune jaune
bleu marron
orange vert
jaune blanc
rouge jaune
orange vert
rouge jaune
F05-09
bleu marron
F05-10
F09
S1
S2 S3 S4
EX1
EX2
EX3
F/R
LV
1
1
DSW1
1
DSW1
rouge blanc
jaune jaune
bleu marron
orange vert
CS+
S=0,5mm² blue
DS-
jaune blanc
Y10 Y12
CS+
DS-
CS+
DS-
CS+
DS-
CS+
DS-
S=0,5mm² blue
S=0,5mm² blue
S=0,5mm² blue
Blanc(white)
Blanc(white)
Blanc (white)
Blanc (white)
Jaune(yellow) Jaune(yellow) Jaune (yellow) Jaune (yellow)
Marron(brown)
Vert(green)
Marron(brown)
Vert(green)
Carte Sanyo:JE29065
CN2
Y6
CN1
CN3
0
Blanc(white)
ON
OFF
ACD1
ACD2
EORG
PE3
Marron(brown)
Vert(green)
Marron(brown)
Vert(green)
Marron(brown) Marron(brown)
Vert(green)
Vert(green)
Vert
Marron
Jaune
Blanc
Blanc
Blanc
Blanc
Jaune
Jaune
Jaune
Marron
Marron
Marron
Vert
Vert
Vert
PE
PE
PE
PE
DSW1
1
Y11
DSW1
M4
Moteur pas à pas
Step motor
Jaune(yellow)
Margeur
(Feeder)
F09
F09
CWM4/CWF4
1
CS+
CS+
CS+
DS-
DS-
DS-
DATE: 15/09/2011
A
B
C
Alphadoc M4
Affaire N°0211AL-0A

Related product manuals