EasyManua.ls Logo

JLG 40H+6 - Wiring Diagram - Platform Console Standard (Sheet 1 of 2)

JLG 40H+6
152 pages
Print Icon
To Next Page IconTo Next Page
To Next Page IconTo Next Page
To Previous Page IconTo Previous Page
To Previous Page IconTo Previous Page
Loading...
SECTION 3 - TROUBLESHOOTING
3-24 – JLG Lift – 3120240
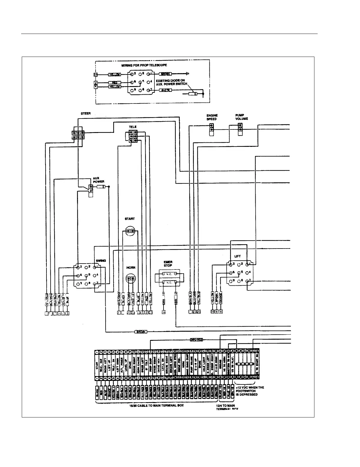
Figure 3-5. Wiring Diagram - Platform Console Standard (Sheet 1 Of 2).

Table of Contents

Related product manuals