EasyManua.ls Logo

JLG 40H+6 - Wiring Diagram - Standard (Deutz F3 L1011 Engine W; Standard Controls) (Sheet 2 of 2)

JLG 40H+6
152 pages
Print Icon
To Next Page IconTo Next Page
To Next Page IconTo Next Page
To Previous Page IconTo Previous Page
To Previous Page IconTo Previous Page
Loading...
SECTION 3 - TROUBLESHOOTING
3120240 – JLG Lift – 3-31
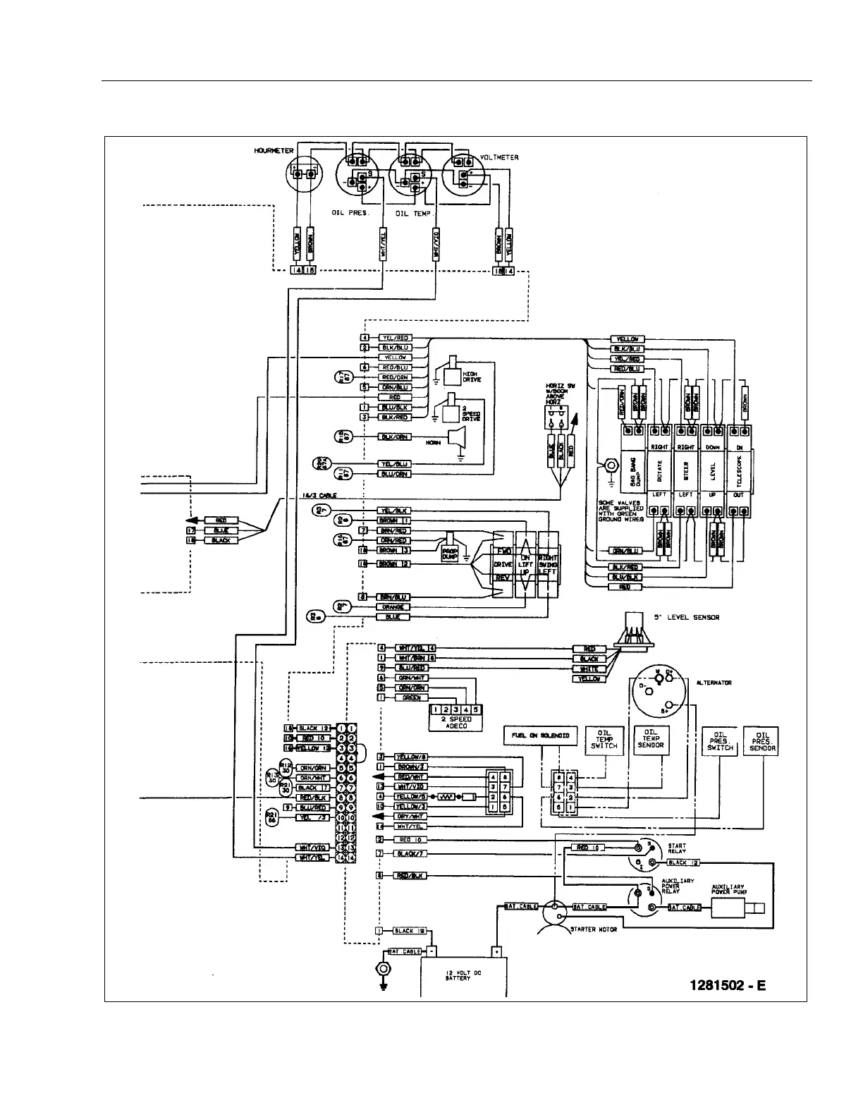
Figure 3-12. Wiring Diagram - Standard (Deutz F3l1011 Engine W/ Standard Controls) (Sheet 2 Of 2).

Table of Contents

Related product manuals