EasyManua.ls Logo

JLG 40H+6 - Page 56

JLG 40H+6
152 pages
Print Icon
To Next Page IconTo Next Page
To Next Page IconTo Next Page
To Previous Page IconTo Previous Page
To Previous Page IconTo Previous Page
Loading...
SECTION 2 - PROCEDURES
2-36 – JLG Lift – 3120240
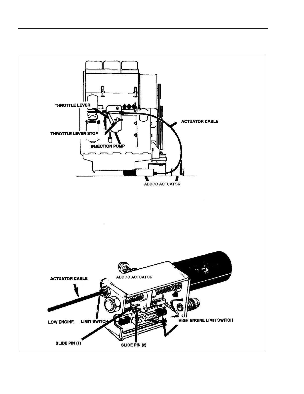
Figure 2-10. Addco Actuator Adjustments, F3L912.

Table of Contents

Related product manuals