EasyManua.ls Logo

JUNTTAN PM 20L - Page 117

JUNTTAN PM 20L
141 pages
Print Icon
To Next Page IconTo Next Page
To Next Page IconTo Next Page
To Previous Page IconTo Previous Page
To Previous Page IconTo Previous Page
Loading...
JUNTTAN Routine service section
117
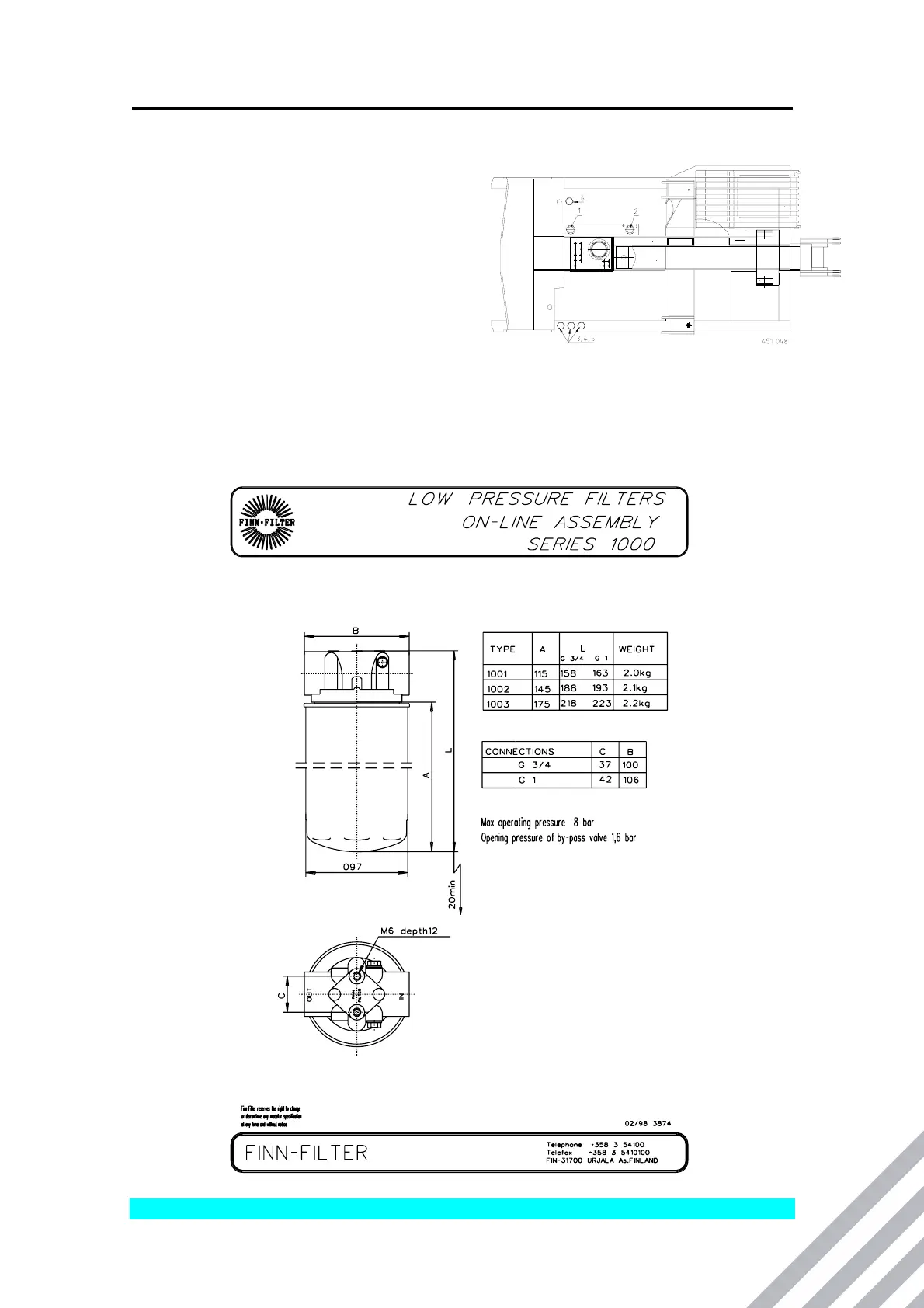
LEAK OIL FILTER IN DRAWING 451 048, filter 6
Relieve the tank pressure by opening the
input hose
Remove filter bowl by turning it counter-
clockwise
Remove and discard filter element
Check and clean filter bowl
Check the by-pass valves
Lubricate seals and threads of the filter
element
Install new filter element by turning it clockwise, tighten the filter element with
hands 3/4 turn
De-air the hydraulic system and bleed the air from all winch motors
Check filter for leaks
451 050/3

Table of Contents