EasyManua.ls Logo

JVC GR-DVX8EG - Page 114

JVC GR-DVX8EG
119 pages
Print Icon
To Next Page IconTo Next Page
To Next Page IconTo Next Page
To Previous Page IconTo Previous Page
To Previous Page IconTo Previous Page
Loading...
5
4
3
2
1
A
B
C
DEF
G
H
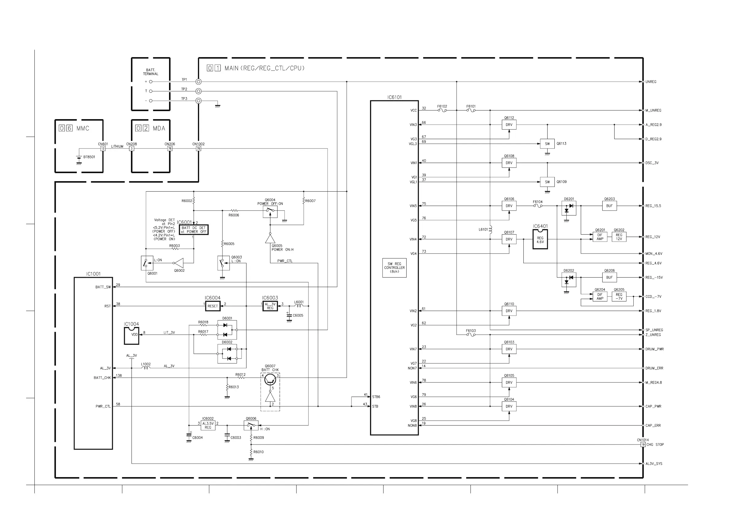
4.41 REGULATOR SYSTEM BLOCK DIAGRAM
4-87 4-88

Table of Contents

Related product manuals