EasyManua.ls Logo

Kalerm KLM2601 - Schematic Circuit Diagram

Default Icon
81 pages
Print Icon
To Next Page IconTo Next Page
To Next Page IconTo Next Page
To Previous Page IconTo Previous Page
To Previous Page IconTo Previous Page
Loading...
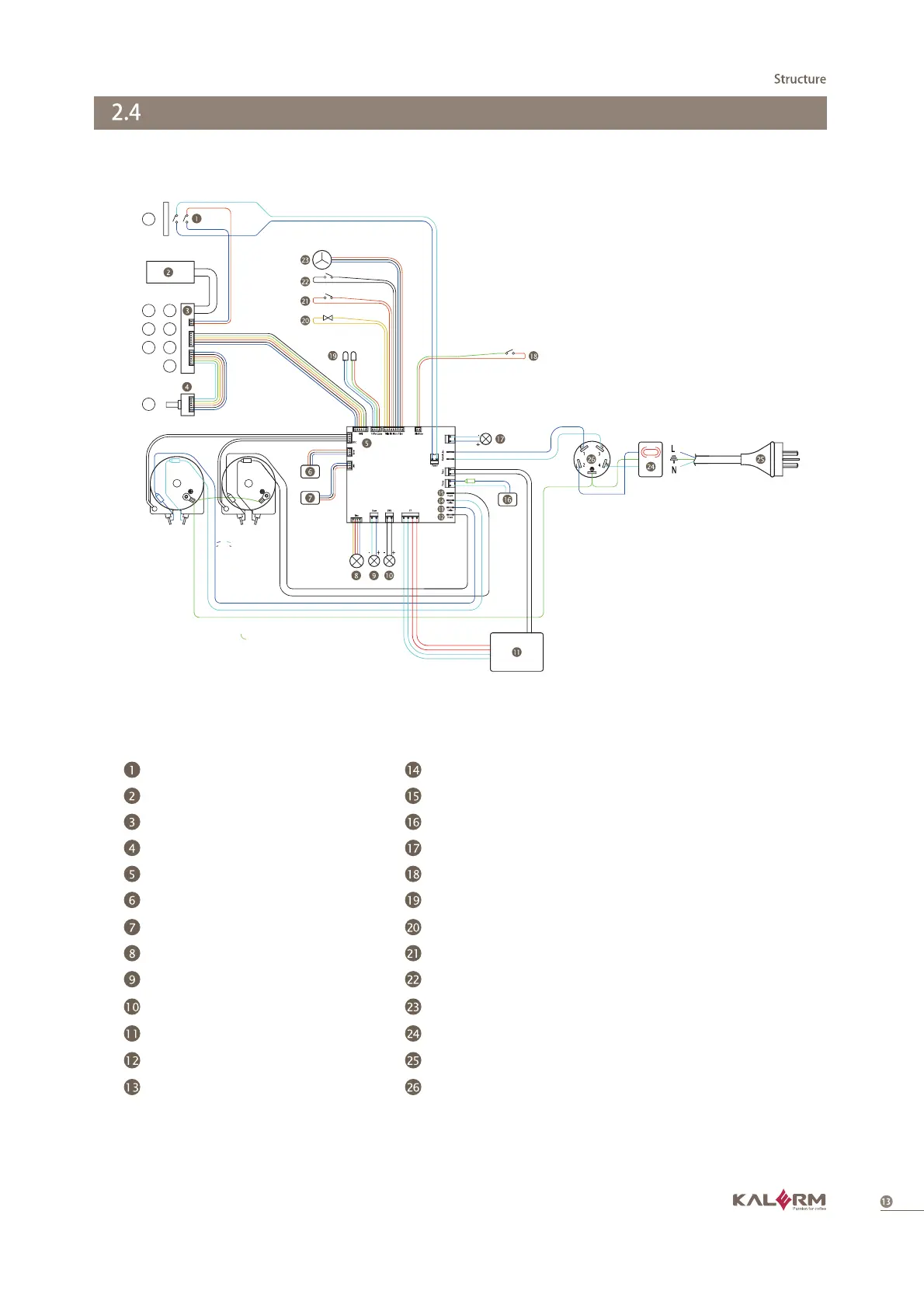
Schematic circuit diagram
Power switch
OLED screen
HMI
Rotary PCB
NTC
Feedback device
Microswitch
Stepper motor
Motor for dispenser valve
Geared motor
Transformer
Steam fused-cord
Coffee fused-cord
Coffee fused-cord
Steam fused-cord
Pump
Grinder motor
Terminal
LED×2
Valve
Reed sensor
Drip tray microswitch
Flowmeter
Line pencil connector( contains 10A fuse)
Power line
Power filter

Related product manuals