EasyManua.ls Logo

Kantronics KPC-3 Plus - KPC-3 Plus MX Parts Layout

Default Icon
236 pages
Print Icon
To Previous Page IconTo Previous Page
To Previous Page IconTo Previous Page
Loading...
236
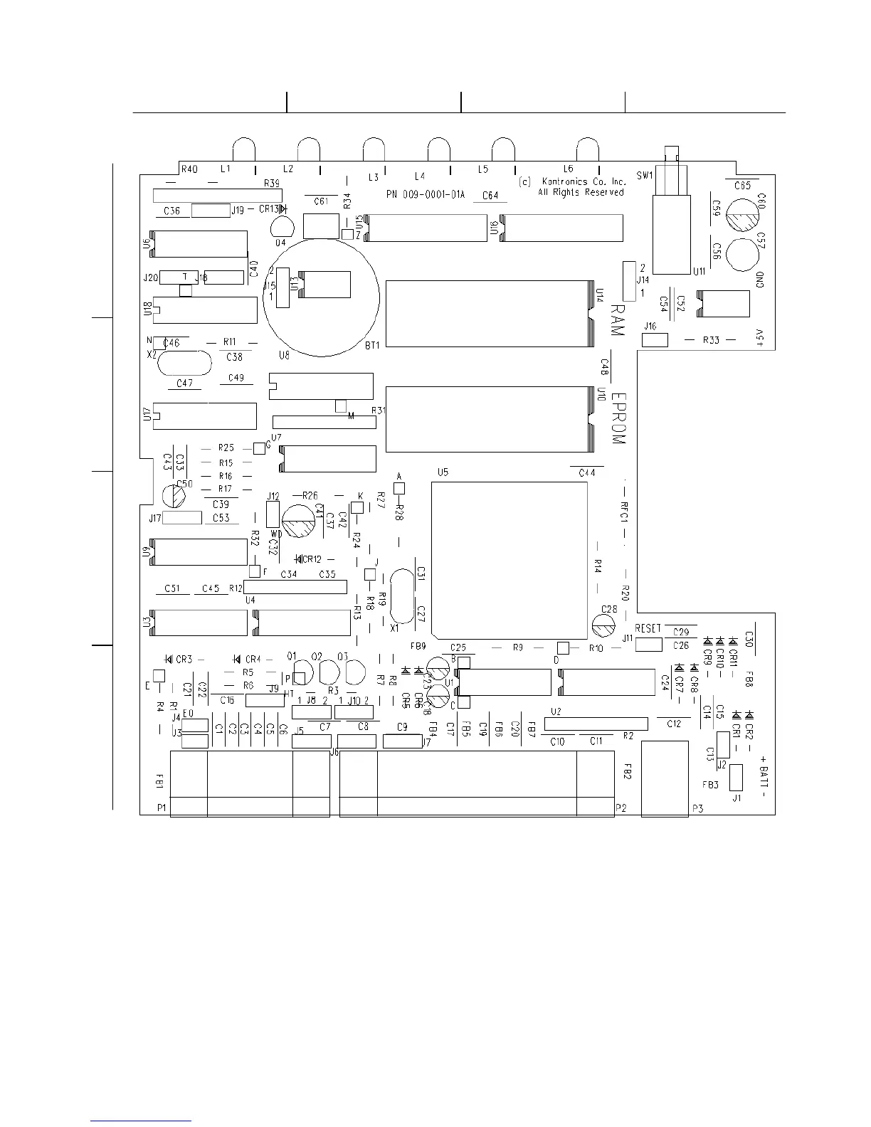
KPC-3 Plus MX Parts Layout
A
B
C
D
1
2
3
4

Table of Contents

Related product manuals